I/U-Wandler mit sehr geringem Innenwiderstand
Moderator: T.Hoffmann
Das hier vorgestellte "How to" hat nur indirekt mit LEDs zu tun, könnte aber für den einen oder anderen "LED-Bastler" durchaus interessant sein. Ich beschreibe hier einen Messvorsatz für Standard-DVMs, der es erlaubt, präzise Strommessungen mit einem extrem niedrigen Innenwiderstand durchzuführen.
Warum das Ganze?
Jedes Multimeter misst den Strom, indem der Spannungsabfall über einem Messwiderstand gemessen wird (Umsetzung Ohmsches Gesetz). Bei den meisten Multimetern entspricht der Vollausschlag des jeweiligen Messbereichs einer Spannung von 2 V (bei manchen auch 200 mV). Entsprechend kann man auf den Innenwiderstand zurückschließen. Bei einem Messbereich von 2A wäre der Innenwiderstand folglich
z.B. 1 Ohm, bei 200mA entsprechend 10 Ohm. Der tatsächliche Messwiderstand ist allerdings normalerweise unbekannt, da er meist in den Bedienungsanleitungen nicht angegeben wird.
LED-Schaltungen sind prinzipbedingt (aufgrund der relativ großen Ströme) sehr niederohmig. Schaltet man hier ein Amperemeter in Reihe, kann der Messaufbau das Ergebnis durch den relativ hohen Innenwiderstand bereits massgeblich verändern.
Bei Verwendung einer KSQ mit ausreichendem Spannungsbereich ist dies weitestgehend irrelevant. Bei Schaltungen mit Vorwiderständen, speziell bei geringem Spannungsabfall über dem Vorwiderstand, ist eine ungewollte Überlastung der LEDs aber durchaus möglich.
Was macht nun der Messvorsatz?
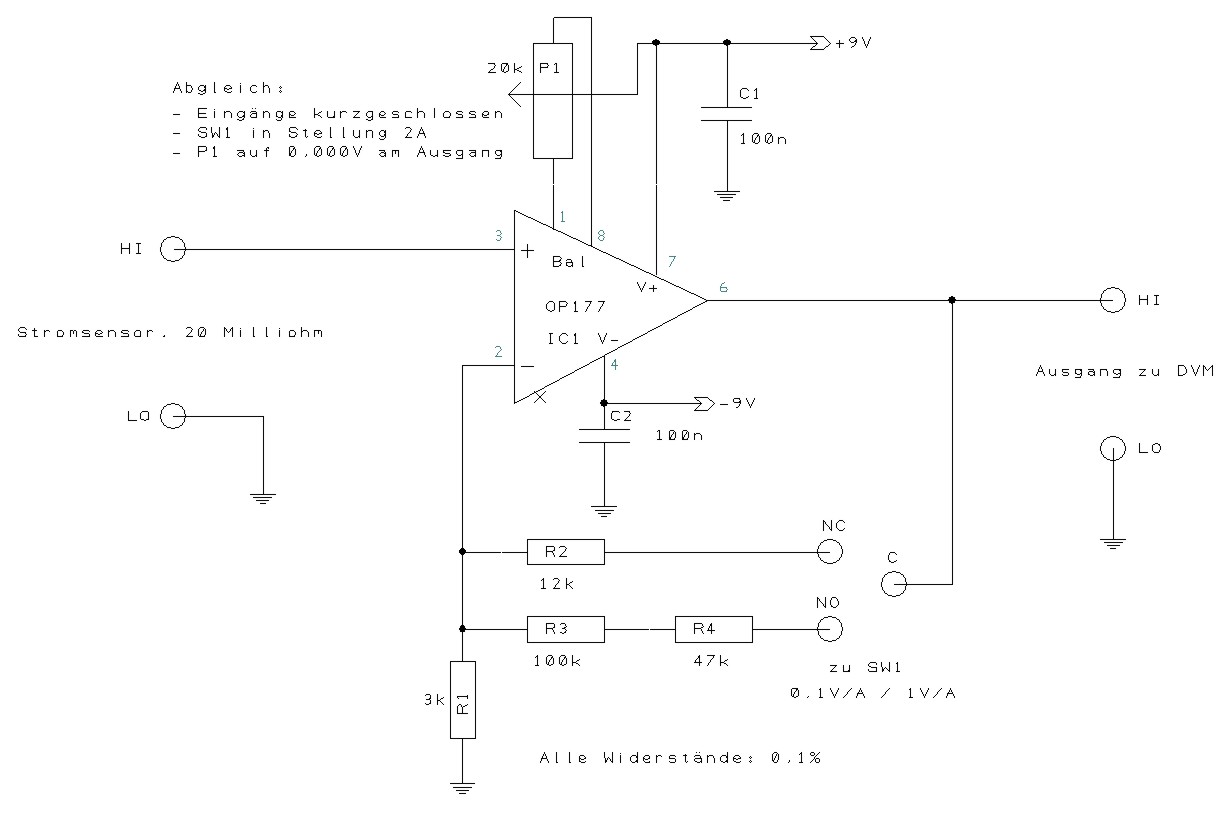
Er übernimmt einen Teil des sonst verwendeten Multimeters, d.h. die Umwandlung von Strom auf Spannung wird komplett von diesem übernommen. Als Messwiderstand wird ein spezieller sehr niederohmiger Messwiderstand verwendet. Die entsprechend kleine Messspannung wird durch aktive Verstärkung an die DC-V-Bereiche des angeschlossenen DVMs angepasst.
Mit rund 25€ inklusive Versandkosten (hab ich nur bei Bürklin gefunden) ist der Messwiderstand das teuerste hier verwendete Bauteil. Es handelt sich um einen speziellen Messwiderstand mit einem Wert von 0,02 Ohm bei einer Toleranz von 0,1%. Dieser Widerstand ist mechanisch so aufgebaut, dass die Spannung über dem Widerstand über 2 spezielle Anschlüsse abgegriffen werden kann.
Der resultierende sehr geringe Spannungsabfall von nur 20 mV/A über dem Messwiderstand wird durch eine einfache aktive Schaltung auf einen vernünftig messbaren Spannungswert verstärkt. Schaltungstechnisch verwende ich einen Präzisions-OP-Amp als nichtinvertierenden Verstärker. Die Schaltung arbeitet damit als Strom-Spannungs-Wandler. Der Verstärkungsfaktor ist zwischen 5 und 50 umschaltbar. Daraus ergeben sich 2 Ausgangsbereiche:
1. 0,1 V/A
2. 1 V/A
Die Schaltung des Verstärkers: An den drei Anschlüssen im Gegenkopplungszweig wird ein Umschalter angeschlossen, mit dem der Verstärkungsfaktor zwischen 5 und 50 umgeschaltet werden kann.
Die Schaltung lässt sich am einfachsten auf einer Punkt-Streifenrasterplatine aufbauen: Die beiden rot eingezeichneten Brücken müssen isoliert ausgeführt werden. Eine geätzte bzw. gefräste Platine wäre zwar kompakter und schöner, bei den paar Bauteilen lohnt sich der Aufwand aber nicht.
Die Schaltung wird mit zwei 9V-Batterien (in entsprechendem Batteriefach) versorgt. Ein 2poliger Kippschalter dient als Powerschalter. Ausserdem werden noch je 2 rote und 2 schwarze 4mm-Polklemmen, ein Kühlkörper für den Stromsensor sowie ein Gehäuse benötigt.
Der Verdrahtungsplan des kompletten Geräts: Fertig verdrahtet sieht das Ganze so aus: Oben links der Messwiderstand, aufgeklebt auf einem Kühlkörper Typ ICK PGA43X43 mit einem Wärmewiderstand von 9 K/W. Der Messwiderstand verträgt einen maximalen Dauerstrom von 22A (entsprechend einer Leistung von 10 W), hat allerdings einen Temperaturkoeffizienten von 30ppm/K. Bei einem Strom von 10A wird im Widerstand nur eine Leistung von 2 W umgesetzt. Das entspricht einer Temperaturdifferenz von 19°C und damit einer wärmebedingten zusätzlichen Abweichung von 0,057%. Für mich ist dies ausreichend. Sollte jemand den maximalen Strom ausnutzen wollen, sollte ein Kühlkörper mit ca. 2,5 K/W verwendet werden.
Zum Abgleich des Trimmers wird das Gerät auf Schalterstellung 1 V/A gebracht und eingeschaltet. An die DVM-Anschlüsse wird ein Multimeter angeschlossen und auf den kleinstmöglichen DC-V-Messbereich gestellt. Der Trimmer wird dann auf eine Anzeige von 0.000 bzw. 0.0000 eingestellt.
Um mit dem Gerät Strom zu messen, werden die Anschlüsse Iin-HI und Iin-LO zwischen Stromquelle und Verbraucher geschaltet (also wie ein normales Amperemeter). An den Anschlüssen DVM-HI und DVM-LO wird ein Multimeter in Stellung DC-V angeschlossen. Der zu wählende Messbereich hängt vom jeweiligen Multimeter und dem zu messenden Strom ab.
Hier wird ein Strom von 350 mA gemessen: Der I/U-Wandler steht auf 1V/A, das DVM im Messbereich 2000mV. Die Anzeige erfolgt folglich direkt in mA. Bei Multimetern mit einem 2V-Messbereich würde ein Wert von 0.353 angezeigt werden, die Anzeige erfolgt dementsprechend in A.
Die Unsicherheit beträgt theoretisch maximal 0,3% (2 Gegenkopplungswiderstände + Messwiderstand). Hierzu müssten allerdings alle beteiligten Widerstände gegenläufig an der Toleranzgrenze liegen. Mit sehr hoher Wahrscheinlichkeit liegt die Unsicherheit bei deutlich unter 0,2%.
Die Schaltung arbeitet bis ca. 6V Ausgangsspannung (entsprechend einem Strom von 6A) linear. Bei höheren Strömen muss das Gerät auf Schalterstellung 0,1 V/A gebracht werden. Bei der Aufnahme eines Messwertes muss dann der Faktor 10 berücksichtigt werde. Beispiel: Strom = 15 A, Anzeige DVM: 1,5 V.
Das Besondere bei dieser Art der Messung ist der extrem niedrige Innenwiderstand. Bei Verwendung vernünftiger Messleitungen liegt der Innenwiderstand des kompletten Messaufbaus bei weniger als 50 Milliohm. Dadurch hat der Messaufbau keinen nennenswerten Einfluss mehr auf die zu messende Schaltung.
Teileliste inklusive Links und Preisen:
Stromsemsor:
Bürklin Nr. 53 E 568 (0R02, 10 W, 0,1%)(19,28€):
https://www.buerklin.com/default.asp?ev ... 8&ch=88899
Platine:
R1, 3k, 0,1% (0,16€):
http://www.reichelt.de/Metall-0-1-1-0-k ... PR+3%2C00K
R2, 12k, 0,1% (0,16€):
http://www.reichelt.de/Metall-0-1-1-0-k ... PR+12%2C0K
R3, 100k, 0,1% (0,16€):
http://www.reichelt.de/Metall-0-1-100-k ... r=MPR+100K
R4, 47k, 0,1% (0,16€):
http://www.reichelt.de/Metall-0-1-1-0-k ... PR+47%2C0K
P1, Trimmer, 20k, 64W-20K (0,27€):
http://www.reichelt.de/Praezisionstrimm ... nr=64W-20K
C1, C2, 100nF (0,04€):
http://www.reichelt.de/Vielschicht-bedr ... 2%2C5+100N
IC1, OP177, DIL8 (1,45€):
http://www.reichelt.de/ICs-NE-STV-/OP-1 ... =OP+177+GP
Batteriehalter, 2x9V (6,35€):
http://www.reichelt.de/Batteriehalter-f ... ALTER+2X9V
Polklemme, 4mm, 2 x rot (PKI 10 A AU RT), 2 x schwarz (PKI 10 A AU SW), je 3,40€:
https://www.reichelt.de/PKI-10-A-AU-RT/ ... 10+A+AU+RT
https://www.reichelt.de/PKI-10-A-AU-RT/ ... %20AU%20SW
Schalter, 1 x um, MS 500A (1,30€):
http://www.reichelt.de/MS-500A/3/index. ... 2C+1-polig
Schalter, 2 x um, MS 500F (2,15€):
http://www.reichelt.de/Kippschalter/MS- ... nr=MS+500F
Gehäuse TEKO 222 (9,50€):
http://www.reichelt.de/Kunststoffgehaeu ... r=TEKO+222
Kühlkörper, ICK PGA43X43, 9K/W (1,95€):
http://www.reichelt.de/Stiftkuehlkoerpe ... K+PGA43X43
Alles zusammen ergibt das eine Summe von knapp unter 70€ inklusive Versandkosten. An den Polklemmen und dem Gehäuse ließen sich allerdings noch ein paar Euro sparen.
Die Schaltung arbeitet übrigens auch mit Wechselstrom problemlos.
Warum das Ganze?
Jedes Multimeter misst den Strom, indem der Spannungsabfall über einem Messwiderstand gemessen wird (Umsetzung Ohmsches Gesetz). Bei den meisten Multimetern entspricht der Vollausschlag des jeweiligen Messbereichs einer Spannung von 2 V (bei manchen auch 200 mV). Entsprechend kann man auf den Innenwiderstand zurückschließen. Bei einem Messbereich von 2A wäre der Innenwiderstand folglich
z.B. 1 Ohm, bei 200mA entsprechend 10 Ohm. Der tatsächliche Messwiderstand ist allerdings normalerweise unbekannt, da er meist in den Bedienungsanleitungen nicht angegeben wird.
LED-Schaltungen sind prinzipbedingt (aufgrund der relativ großen Ströme) sehr niederohmig. Schaltet man hier ein Amperemeter in Reihe, kann der Messaufbau das Ergebnis durch den relativ hohen Innenwiderstand bereits massgeblich verändern.
Bei Verwendung einer KSQ mit ausreichendem Spannungsbereich ist dies weitestgehend irrelevant. Bei Schaltungen mit Vorwiderständen, speziell bei geringem Spannungsabfall über dem Vorwiderstand, ist eine ungewollte Überlastung der LEDs aber durchaus möglich.
Was macht nun der Messvorsatz?
Er übernimmt einen Teil des sonst verwendeten Multimeters, d.h. die Umwandlung von Strom auf Spannung wird komplett von diesem übernommen. Als Messwiderstand wird ein spezieller sehr niederohmiger Messwiderstand verwendet. Die entsprechend kleine Messspannung wird durch aktive Verstärkung an die DC-V-Bereiche des angeschlossenen DVMs angepasst.
Mit rund 25€ inklusive Versandkosten (hab ich nur bei Bürklin gefunden) ist der Messwiderstand das teuerste hier verwendete Bauteil. Es handelt sich um einen speziellen Messwiderstand mit einem Wert von 0,02 Ohm bei einer Toleranz von 0,1%. Dieser Widerstand ist mechanisch so aufgebaut, dass die Spannung über dem Widerstand über 2 spezielle Anschlüsse abgegriffen werden kann.
Der resultierende sehr geringe Spannungsabfall von nur 20 mV/A über dem Messwiderstand wird durch eine einfache aktive Schaltung auf einen vernünftig messbaren Spannungswert verstärkt. Schaltungstechnisch verwende ich einen Präzisions-OP-Amp als nichtinvertierenden Verstärker. Die Schaltung arbeitet damit als Strom-Spannungs-Wandler. Der Verstärkungsfaktor ist zwischen 5 und 50 umschaltbar. Daraus ergeben sich 2 Ausgangsbereiche:
1. 0,1 V/A
2. 1 V/A
Die Schaltung des Verstärkers: An den drei Anschlüssen im Gegenkopplungszweig wird ein Umschalter angeschlossen, mit dem der Verstärkungsfaktor zwischen 5 und 50 umgeschaltet werden kann.
Die Schaltung lässt sich am einfachsten auf einer Punkt-Streifenrasterplatine aufbauen: Die beiden rot eingezeichneten Brücken müssen isoliert ausgeführt werden. Eine geätzte bzw. gefräste Platine wäre zwar kompakter und schöner, bei den paar Bauteilen lohnt sich der Aufwand aber nicht.
Die Schaltung wird mit zwei 9V-Batterien (in entsprechendem Batteriefach) versorgt. Ein 2poliger Kippschalter dient als Powerschalter. Ausserdem werden noch je 2 rote und 2 schwarze 4mm-Polklemmen, ein Kühlkörper für den Stromsensor sowie ein Gehäuse benötigt.
Der Verdrahtungsplan des kompletten Geräts: Fertig verdrahtet sieht das Ganze so aus: Oben links der Messwiderstand, aufgeklebt auf einem Kühlkörper Typ ICK PGA43X43 mit einem Wärmewiderstand von 9 K/W. Der Messwiderstand verträgt einen maximalen Dauerstrom von 22A (entsprechend einer Leistung von 10 W), hat allerdings einen Temperaturkoeffizienten von 30ppm/K. Bei einem Strom von 10A wird im Widerstand nur eine Leistung von 2 W umgesetzt. Das entspricht einer Temperaturdifferenz von 19°C und damit einer wärmebedingten zusätzlichen Abweichung von 0,057%. Für mich ist dies ausreichend. Sollte jemand den maximalen Strom ausnutzen wollen, sollte ein Kühlkörper mit ca. 2,5 K/W verwendet werden.
Zum Abgleich des Trimmers wird das Gerät auf Schalterstellung 1 V/A gebracht und eingeschaltet. An die DVM-Anschlüsse wird ein Multimeter angeschlossen und auf den kleinstmöglichen DC-V-Messbereich gestellt. Der Trimmer wird dann auf eine Anzeige von 0.000 bzw. 0.0000 eingestellt.
Um mit dem Gerät Strom zu messen, werden die Anschlüsse Iin-HI und Iin-LO zwischen Stromquelle und Verbraucher geschaltet (also wie ein normales Amperemeter). An den Anschlüssen DVM-HI und DVM-LO wird ein Multimeter in Stellung DC-V angeschlossen. Der zu wählende Messbereich hängt vom jeweiligen Multimeter und dem zu messenden Strom ab.
Hier wird ein Strom von 350 mA gemessen: Der I/U-Wandler steht auf 1V/A, das DVM im Messbereich 2000mV. Die Anzeige erfolgt folglich direkt in mA. Bei Multimetern mit einem 2V-Messbereich würde ein Wert von 0.353 angezeigt werden, die Anzeige erfolgt dementsprechend in A.
Die Unsicherheit beträgt theoretisch maximal 0,3% (2 Gegenkopplungswiderstände + Messwiderstand). Hierzu müssten allerdings alle beteiligten Widerstände gegenläufig an der Toleranzgrenze liegen. Mit sehr hoher Wahrscheinlichkeit liegt die Unsicherheit bei deutlich unter 0,2%.
Die Schaltung arbeitet bis ca. 6V Ausgangsspannung (entsprechend einem Strom von 6A) linear. Bei höheren Strömen muss das Gerät auf Schalterstellung 0,1 V/A gebracht werden. Bei der Aufnahme eines Messwertes muss dann der Faktor 10 berücksichtigt werde. Beispiel: Strom = 15 A, Anzeige DVM: 1,5 V.
Das Besondere bei dieser Art der Messung ist der extrem niedrige Innenwiderstand. Bei Verwendung vernünftiger Messleitungen liegt der Innenwiderstand des kompletten Messaufbaus bei weniger als 50 Milliohm. Dadurch hat der Messaufbau keinen nennenswerten Einfluss mehr auf die zu messende Schaltung.
Teileliste inklusive Links und Preisen:
Stromsemsor:
Bürklin Nr. 53 E 568 (0R02, 10 W, 0,1%)(19,28€):
https://www.buerklin.com/default.asp?ev ... 8&ch=88899
Platine:
R1, 3k, 0,1% (0,16€):
http://www.reichelt.de/Metall-0-1-1-0-k ... PR+3%2C00K
R2, 12k, 0,1% (0,16€):
http://www.reichelt.de/Metall-0-1-1-0-k ... PR+12%2C0K
R3, 100k, 0,1% (0,16€):
http://www.reichelt.de/Metall-0-1-100-k ... r=MPR+100K
R4, 47k, 0,1% (0,16€):
http://www.reichelt.de/Metall-0-1-1-0-k ... PR+47%2C0K
P1, Trimmer, 20k, 64W-20K (0,27€):
http://www.reichelt.de/Praezisionstrimm ... nr=64W-20K
C1, C2, 100nF (0,04€):
http://www.reichelt.de/Vielschicht-bedr ... 2%2C5+100N
IC1, OP177, DIL8 (1,45€):
http://www.reichelt.de/ICs-NE-STV-/OP-1 ... =OP+177+GP
Batteriehalter, 2x9V (6,35€):
http://www.reichelt.de/Batteriehalter-f ... ALTER+2X9V
Polklemme, 4mm, 2 x rot (PKI 10 A AU RT), 2 x schwarz (PKI 10 A AU SW), je 3,40€:
https://www.reichelt.de/PKI-10-A-AU-RT/ ... 10+A+AU+RT
https://www.reichelt.de/PKI-10-A-AU-RT/ ... %20AU%20SW
Schalter, 1 x um, MS 500A (1,30€):
http://www.reichelt.de/MS-500A/3/index. ... 2C+1-polig
Schalter, 2 x um, MS 500F (2,15€):
http://www.reichelt.de/Kippschalter/MS- ... nr=MS+500F
Gehäuse TEKO 222 (9,50€):
http://www.reichelt.de/Kunststoffgehaeu ... r=TEKO+222
Kühlkörper, ICK PGA43X43, 9K/W (1,95€):
http://www.reichelt.de/Stiftkuehlkoerpe ... K+PGA43X43
Alles zusammen ergibt das eine Summe von knapp unter 70€ inklusive Versandkosten. An den Polklemmen und dem Gehäuse ließen sich allerdings noch ein paar Euro sparen.
Die Schaltung arbeitet übrigens auch mit Wechselstrom problemlos.
- Achim H
- Star-Admin

- Beiträge: 13067
- Registriert: Mi, 14.11.07, 02:14
- Wohnort: Herdecke (NRW)
- Kontaktdaten:
Irgendwie verstehe ich die Logik nicht, für diese Schaltung Messwiderstände zu verwenden.
Die Klingeldrähte produzieren sehr wahrscheinlich einen viel zu hohen Messfehler.
Auch verstehe ich nicht, wieso der Vierleiterwiderstand so bekloppt verdrahtet wurde.
Insbesondere der Weg vom Widerstand bis zur Platine.
Hättest Du die Platine um 180° gedreht, wären die Wege viel kürzer gewesen.
Für diejenigen, die nicht wissen, was ein Vierleiterwiderstand ist.
Das ist ein ganz normaler Messwiderstand, nur mit 4 Anschlüssen. Der Sinn von je 2 Anschlüssen je Seite ist der, die Verluste über das Kabel gering zu halten.
Das Kabel hat einen spezifischen Widerstand. Schaltet man 2 gleichlange Kabel (2 Widerstände) parallel, halbiert sich deren Widerstand.
Hierfür sollte man keineswegs Klingeldraht verwenden, sondern dickeres Kabelmaterial. Zum Beispiel: 2mm Silberdraht.
Vierleiterwiderstände von Isabellenhütte (Typ PBV) gibt es auch bei Conrad.
Zum Beispiel: 0,1R @ 0,5% (10W, ebenfalls 30ppm/K). Preis: 8,54 EUR
Die Klingeldrähte produzieren sehr wahrscheinlich einen viel zu hohen Messfehler.
Auch verstehe ich nicht, wieso der Vierleiterwiderstand so bekloppt verdrahtet wurde.
Insbesondere der Weg vom Widerstand bis zur Platine.
Hättest Du die Platine um 180° gedreht, wären die Wege viel kürzer gewesen.
Für diejenigen, die nicht wissen, was ein Vierleiterwiderstand ist.
Das ist ein ganz normaler Messwiderstand, nur mit 4 Anschlüssen. Der Sinn von je 2 Anschlüssen je Seite ist der, die Verluste über das Kabel gering zu halten.
Das Kabel hat einen spezifischen Widerstand. Schaltet man 2 gleichlange Kabel (2 Widerstände) parallel, halbiert sich deren Widerstand.
Hierfür sollte man keineswegs Klingeldraht verwenden, sondern dickeres Kabelmaterial. Zum Beispiel: 2mm Silberdraht.
Vierleiterwiderstände von Isabellenhütte (Typ PBV) gibt es auch bei Conrad.
Zum Beispiel: 0,1R @ 0,5% (10W, ebenfalls 30ppm/K). Preis: 8,54 EUR
-
Loong
Servus…
Ustoni hat den Meßwiderstand vollkommen richtig verdrahtet, nämlich mit kürzest-möglichen, dicken Drähten direkt an den Anschlußbuchsen.
Falsch. Sinn der Vierleitemessung ist, die spannungsmessenden Leitungen frei vom zu messenden Strom zu halten.Achim H hat geschrieben:Der Sinn von je 2 Anschlüssen je Seite ist der, die Verluste über das Kabel gering zu halten.
Ustoni hat den Meßwiderstand vollkommen richtig verdrahtet, nämlich mit kürzest-möglichen, dicken Drähten direkt an den Anschlußbuchsen.
- Achim H
- Star-Admin

- Beiträge: 13067
- Registriert: Mi, 14.11.07, 02:14
- Wohnort: Herdecke (NRW)
- Kontaktdaten:
Bis zum Widerstand: Ja.Ustoni hat den Meßwiderstand vollkommen richtig verdrahtet, nämlich mit kürzest-möglichen, dicken Drähten direkt an den Anschlußbuchsen.
Schau Dir mal die Leitungswege vom Widerstand bis zur Platine an.
-
Loong
Die sind aber für die Messung nicht mehr interessant, eben weil sie keinen Strom führen. Genau das ist ja Sinn und Zweck der Vierleitermessung. Der Meßstrom fließt von der einen Anschlußbuchse über einen kurzen, dicken Draht zum Widerstand und von dort wieder über einen kurzen, dicken Draht zur anderen Anschlußbuchse.
Am Klingeldraht steht nur noch die Meßspannung (zu messender Strom × Wert des Meßwiderstands) an und die sieht nur die zig Megaohm Eingangswiderstand des OPV als Last.
Am Klingeldraht steht nur noch die Meßspannung (zu messender Strom × Wert des Meßwiderstands) an und die sieht nur die zig Megaohm Eingangswiderstand des OPV als Last.
@ Loong:
Besser hätte ich es auch nicht erklären können.
Noch was:
Wenn ich die Platine um 180 gedreht hätte, wären die Leitungen zum Bereichsumschalter deutlich länger geworden. Auch hier sollten die Leitungen möglichst kurz sein, da mit diesem Schalter die Gegenkopplungswiderstände umgeschaltet werden.
Nachtrag:
Die weissen Leitungen sind übrigens kein "Klingeldraht", sondern hochflexible versilberte Litze mit Teflonisolierung.
Besser hätte ich es auch nicht erklären können.
Noch was:
Wenn ich die Platine um 180 gedreht hätte, wären die Leitungen zum Bereichsumschalter deutlich länger geworden. Auch hier sollten die Leitungen möglichst kurz sein, da mit diesem Schalter die Gegenkopplungswiderstände umgeschaltet werden.
Nachtrag:
Die weissen Leitungen sind übrigens kein "Klingeldraht", sondern hochflexible versilberte Litze mit Teflonisolierung.
- Achim H
- Star-Admin

- Beiträge: 13067
- Registriert: Mi, 14.11.07, 02:14
- Wohnort: Herdecke (NRW)
- Kontaktdaten:
Eine Frage habe ich noch.
70 EUR sind eine Menge Geld.
Welchen Vorteil hat Deine Schaltung gegenüber einem Widerstand, an dem man den Spannungsabfall misst und sich U/R den Strom selbst ausrechnet?
Bei Verwendung eines 1 oder 0,1 Ohm Widerstandes könnte man es sogar im Kopf und bräuchte keinen Taschenrechner.
70 EUR sind eine Menge Geld.
Welchen Vorteil hat Deine Schaltung gegenüber einem Widerstand, an dem man den Spannungsabfall misst und sich U/R den Strom selbst ausrechnet?
Bei Verwendung eines 1 oder 0,1 Ohm Widerstandes könnte man es sogar im Kopf und bräuchte keinen Taschenrechner.
Der Hauptvorteil ist der niedrige Innenwiderstand. Der Messwiderstand hat ja nur 20 Milliohm, d.h. je Ampere fallen nur 20 mV ab. Das Stück Draht zwischen Messwiderstand und Polklemmen kann man getrost vernachlässigen. Die Polklemmen schlagen nochmals mit maximal je 2 Milliohm (laut Datenblatt) zu Buche. Verwendet man während der Messung noch vernünftige Messleitungen (z.B. von Hirschmann), liegt der Innenwiderstand des gesamten Messaufbaus bei deutlich unter 50 Milliohm. Das entspricht im Prinzip einem etwas längeren Stück Draht.
Die Schaltung, in der der Strom gemessen werden soll, wird dadurch durch die Messung praktisch nicht beeinflusst.
In diesem Zusammenhang noch ein Tipp:
Ich habe schon vor einiger Zeit eine Messleitung (http://www.reichelt.de/Laborleitungen/M ... =ML+100+SW) in der Mitte durchtrennt, die so entstandenen Kabelenden auf 1 cm Länge abisoliert und je eine 2er-Wagoklemme angebracht: Diese beiden Leitungen haben sich schon bei einigen Messungen in LED-Schaltungen bewährt.
Der nächste Punkt ist die Toleranz. Der von mir verwendete Messwiderstand hat eine Toleranz von 0,1%, die gesamte Schaltung ca. 0,2%. Der von Dir verlinkte Widerstand von Conrad hat eine Toleranz von 0,5%. Mir wäre das für diese Schaltung schon zu ungenau, aber das ist Geschmackssache. DVMs sind prinzipbedingt in den DC-V-Messbereichen am genauesten. Deshalb wird die Messung auf diese Art meist auch genauer als eine direkte Strommessung mit dem Multimeter.
Der dritte Punkt hängt von dem Multimeter ab, das man besitzt. Das in meinem Originalpost abgebildete Multimeter (baugleich HAMA EM393) hat die Strommessbereiche 200µA, 2000µA, 20mA, 200mA und 10A. Es fehlt also ein 2A-Bereich. Gerade der wäre aber im Bereich der LED-Technik wichtig. Mit dem I/U-Wandler verwende ich den immer vorhandenen 2V-Bereich und habe damit eine Ableseauflösung von 1mA.
Der Preis von 70€ gilt für das Gerät, so wie ich es aufgebaut habe. Da ließe sich aber schon noch etwas sparen. Es müssen nicht unbedingt vergoldete Polklemmen sein, es kann auch ein einfacheres Gehäuse sein und anstelle des Batteriefachs kann man auch 2 einfache Batterieclips nehmen. Dann wäre man schon auf ca. 50€ runter.
Die Schaltung hat eine Stromaufnahme von knapp 2mA, die Batterien muss man daher wohl ohnehin nur alle paar Jahre wechseln.
Wenn eine Toleranz von ca. 0,6% ausreicht, kann man auch einen entsprechenden Messwiderstand von Conrad nehmen, das sind dann nochmal rund 15€ weniger. Das ist eine reine Philosophiefrage. Für mich gilt eben: wenn schon, denn schon.
Ob man so ein Gerät braucht oder haben möchte, muss jeder für sich entscheiden. Ich wollte damit auch nur zeigen, dass es für jedermann ohne großen Aufwand machbar ist. Deshalb hatte ich eingangs ja auch geschrieben, dass es
Die Schaltung, in der der Strom gemessen werden soll, wird dadurch durch die Messung praktisch nicht beeinflusst.
In diesem Zusammenhang noch ein Tipp:
Ich habe schon vor einiger Zeit eine Messleitung (http://www.reichelt.de/Laborleitungen/M ... =ML+100+SW) in der Mitte durchtrennt, die so entstandenen Kabelenden auf 1 cm Länge abisoliert und je eine 2er-Wagoklemme angebracht: Diese beiden Leitungen haben sich schon bei einigen Messungen in LED-Schaltungen bewährt.
Der nächste Punkt ist die Toleranz. Der von mir verwendete Messwiderstand hat eine Toleranz von 0,1%, die gesamte Schaltung ca. 0,2%. Der von Dir verlinkte Widerstand von Conrad hat eine Toleranz von 0,5%. Mir wäre das für diese Schaltung schon zu ungenau, aber das ist Geschmackssache. DVMs sind prinzipbedingt in den DC-V-Messbereichen am genauesten. Deshalb wird die Messung auf diese Art meist auch genauer als eine direkte Strommessung mit dem Multimeter.
Der dritte Punkt hängt von dem Multimeter ab, das man besitzt. Das in meinem Originalpost abgebildete Multimeter (baugleich HAMA EM393) hat die Strommessbereiche 200µA, 2000µA, 20mA, 200mA und 10A. Es fehlt also ein 2A-Bereich. Gerade der wäre aber im Bereich der LED-Technik wichtig. Mit dem I/U-Wandler verwende ich den immer vorhandenen 2V-Bereich und habe damit eine Ableseauflösung von 1mA.
Der Preis von 70€ gilt für das Gerät, so wie ich es aufgebaut habe. Da ließe sich aber schon noch etwas sparen. Es müssen nicht unbedingt vergoldete Polklemmen sein, es kann auch ein einfacheres Gehäuse sein und anstelle des Batteriefachs kann man auch 2 einfache Batterieclips nehmen. Dann wäre man schon auf ca. 50€ runter.
Die Schaltung hat eine Stromaufnahme von knapp 2mA, die Batterien muss man daher wohl ohnehin nur alle paar Jahre wechseln.
Wenn eine Toleranz von ca. 0,6% ausreicht, kann man auch einen entsprechenden Messwiderstand von Conrad nehmen, das sind dann nochmal rund 15€ weniger. Das ist eine reine Philosophiefrage. Für mich gilt eben: wenn schon, denn schon.
Ob man so ein Gerät braucht oder haben möchte, muss jeder für sich entscheiden. Ich wollte damit auch nur zeigen, dass es für jedermann ohne großen Aufwand machbar ist. Deshalb hatte ich eingangs ja auch geschrieben, dass es
könnte.für den einen oder anderen "LED-Bastler" durchaus interessant sein
- Achim H
- Star-Admin

- Beiträge: 13067
- Registriert: Mi, 14.11.07, 02:14
- Wohnort: Herdecke (NRW)
- Kontaktdaten:
Der nächste Punkt ist die Toleranz. Der von mir verwendete Messwiderstand hat eine Toleranz von 0,1%, die gesamte Schaltung ca. 0,2%.
Dadrauf muss noch die Messungenauigkeit des Messgerätes gerechnet werden.
Im Handbuch des Hama393 (Seite 4) wird diese mit +/-0,8% + 5 Digits im 2V Bereich angegeben.
Bei einer Auflösung von 1mV entsprechen die 5 Digits bereits 0,25%.
Damit beträgt die Ungenauigkeit insgesamt: +/-1,05%.
Mit Verlaub, das Gerät ist was für Grobmotoriker.
Meines hat eine Auflösung von +/-0,5% +/-1 Digit im 2V Bereich
(bei Westfalia für 39,90 DM* gekauft: Mastech M840D, das Vorläufermodell von diesem Gerät, allerdings komplett gelb).
* DM = Deutsche Mark, nicht EUR.
Wenn ich mir das Bild oben mit dem Messgerät und dem Wert 353 anschaue, hast Du wahrscheinlich eine 350mA KSQ verwendet.
Die 3mA mehr entsprächen einer Toleranz von ca. 0,9% insgesamt.
Man kann nicht alles haben.Der von Dir verlinkte Widerstand von Conrad hat eine Toleranz von 0,5%.
Ich gebe Dir trotzdem mal 5 Sternchen, alleine schon deswegen, weil ich es erst jetzt richtig verstanden habe.Ob man so ein Gerät braucht oder haben möchte, muss jeder für sich entscheiden. Ich wollte damit auch nur zeigen, dass es für jedermann ohne großen Aufwand machbar ist. Deshalb hatte ich eingangs ja auch geschrieben, dass eskönnte.für den einen oder anderen "LED-Bastler" durchaus interessant sein
Aber wie der Achim eben so ist. immer erst meckern.
Das ist natürlich richtig. Gegen die 5 Digits kann ich nichts machen. Die 0,8% gelten bei meinem Gerät zumindest im 2V-Bereich nicht mehr.Dadrauf muss noch die Messungenauigkeit des Messgerätes gerechnet werden.
Im Handbuch des Hama393 (Seite 4) wird diese mit +/-0,8% + 5 Digits im 2V Bereich angegeben.
Bei einer Auflösung von 1mV entsprechen die 5 Digits bereits 0,25%.
Kann man übrigens mit jedem Multimeter machen. Wenn man die Rückseite des DVMs abnimmt, findet man normalerweise direkt über dem Display den AD-Wandler. In unmittelbarer Nähe befindet sich normalerweise ein Trimmer, mit dem sich die interne Referenzspannung abgleichen läßt. Das sollte man natürlich nur dann tun, wenn man Zugang zu einer hochgenauen Gleichspannungsquelle hat (mindestens 0,05%).
Ändert aber nichts an der Tatsache, dass ich ein besseres brauche. Da schwebt mir ebenfalls ein Selbstbau vor. Ziel: 6 Stellen mit maximal 100ppm Toleranz. Das wird aber wohl erst Ende nächsten Jahres was werden. Ich muss mich da erst in die AVR-Programmierung genauer einarbeiten.
- Achim H
- Star-Admin

- Beiträge: 13067
- Registriert: Mi, 14.11.07, 02:14
- Wohnort: Herdecke (NRW)
- Kontaktdaten:
Ich habe mal diverse Shops durchforstet. Vierleiterwiderstände sind überall teuer, insbesondere wenn diese eine sehr niedrige Toleranz (0,1%) haben sollen. Am günstigsten wären diese in SMD (knapp unter 10 EUR), aber die haben dann auch nur max. 2 Watt.
Bei ebay bekommt man sie auch (manchmal) halbwegs günstig. Aber natürlich nicht unbedingt den erwünschten Wert...
Beispiel: http://www.ebay.de/itm/Praezisions-Wide ... 0836757043
http://www.ebay.de/itm/Praezisions-Wide ... 1036177660
Beispiel: http://www.ebay.de/itm/Praezisions-Wide ... 0836757043
http://www.ebay.de/itm/Praezisions-Wide ... 1036177660
@Achim:
Kannst Du mal einen Link zu den SMD-Shunts posten?
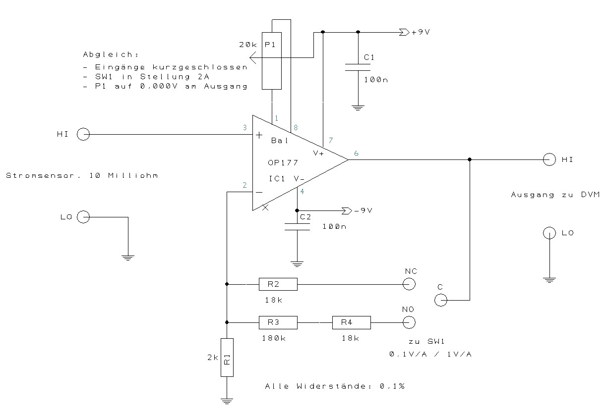
Wenn man statt der 0,02 Ohm einen Wert von 0,01 Ohm verwendet, entsprechen 2 W einer Belastbarkeit von 14 A. Bei 10 A würde im Shunt sogar nur 1 W umgesetzt.
Man bräuchte dann nur den Verstärkungsfaktor entsprechend anzupassen.
Edit:
Das wäre dann die angepasste Schaltung für 10 Milliohm, Verstärkungsfaktor umschaltbar zwischen 10 und 100:
Kannst Du mal einen Link zu den SMD-Shunts posten?
Wenn man statt der 0,02 Ohm einen Wert von 0,01 Ohm verwendet, entsprechen 2 W einer Belastbarkeit von 14 A. Bei 10 A würde im Shunt sogar nur 1 W umgesetzt.
Man bräuchte dann nur den Verstärkungsfaktor entsprechend anzupassen.
Edit:
Das wäre dann die angepasste Schaltung für 10 Milliohm, Verstärkungsfaktor umschaltbar zwischen 10 und 100:
- Achim H
- Star-Admin

- Beiträge: 13067
- Registriert: Mi, 14.11.07, 02:14
- Wohnort: Herdecke (NRW)
- Kontaktdaten:
Da habe ich mich doch glatt um eine Null verlesen. 0,2R/2W/0,1% = <10 EUR
0,002 bis 0,2R @ 1 bis 5W
Link zu Mouser: Strommesswiderstände SMD 0,1%
0,002 bis 0,2R @ 1 bis 5W
Link zu Mouser: Strommesswiderstände SMD 0,1%
Danke!
Der hier wäre ideal:
http://www.mouser.de/ProductDetail/Vish ... %2fstFA%3d
Hier liegt der Temperaturkoeffizient sogar nur bei 5 ppm/K gegenüber 30 ppm/K bei dem von Isabellenhütte.
Allerdings rechnet sich eine Einzelbestellung nicht (Versandkosten 20€, Lieferzeit 11 Wochen
).
Hab den Link mal zu meinen Favoriten gelegt. Das wäre noch was für mein Selbstbau-DVM, wenns denn mal soweit ist. Da werden ja noch mehr Präzisionswiderstände benötigt, dann relativieren sich die Versandkosten wieder.
Der hier wäre ideal:
http://www.mouser.de/ProductDetail/Vish ... %2fstFA%3d
Hier liegt der Temperaturkoeffizient sogar nur bei 5 ppm/K gegenüber 30 ppm/K bei dem von Isabellenhütte.
Allerdings rechnet sich eine Einzelbestellung nicht (Versandkosten 20€, Lieferzeit 11 Wochen
Hab den Link mal zu meinen Favoriten gelegt. Das wäre noch was für mein Selbstbau-DVM, wenns denn mal soweit ist. Da werden ja noch mehr Präzisionswiderstände benötigt, dann relativieren sich die Versandkosten wieder.
So, ich war mal "auf Besuch" in meinem alten Labor und hab meinen Prototyp ausgemessen.
Ergebnis: besser als erwartet. Wie schon erwähnt, ist die Wahrscheinlichkeit, dass sich die Toleranzen der genauigkeitsrelevanten Bauteile addieren eher gering.
Ich habe den Eingang in Reihe mit einem Agilent 3458A-Multimeter (im Strommessbereich) und einer einstellbaren Stromquelle geschaltet. Die Unsicherheit der Strommessung betrug dabei ca. 0,012%.
Die Ausgangsspannung des I/U-Wandlers habe ich dabei mit einem Fluke-8846A-Multimeter überwacht (ungünstigste Unsicherheit je nach Messbereich: 0,0072%).
Im Bereich 1 V/A habe ich beginnend mit einem Strom von 100mA in 100mA-Schritten die Werte für Strom und Spannung aufgenommen. Den 1 V/A-Bereich habe ich nur mit 2 Werten getestet (0,5 A und 1 A), da das 3458A nur Messungen bis 1,1 A zulässt. Die hierbei erzielten Werte sollten mit Vorsicht genossen werden; der Digitfehler macht aus 0,002% schnell 0,02%. Trotzdem ist das Ergebnis beeindruckend.
Die Messwerte: Fazit:
Mit relativ geringem Aufwand ist es durchaus möglich, Meßzusätze zu bauen, die in der Genauigkeit (besser: Unsicherheit) nahe an Laborgeräte herankommen. Eine Strommessung wird hier speziell durch den erheblich niedrigeren Innenwiderstand erheblich genauer als eine direkte Messung (Schätzung) mit einem Standardmultimeter.
Ergebnis: besser als erwartet. Wie schon erwähnt, ist die Wahrscheinlichkeit, dass sich die Toleranzen der genauigkeitsrelevanten Bauteile addieren eher gering.
Ich habe den Eingang in Reihe mit einem Agilent 3458A-Multimeter (im Strommessbereich) und einer einstellbaren Stromquelle geschaltet. Die Unsicherheit der Strommessung betrug dabei ca. 0,012%.
Die Ausgangsspannung des I/U-Wandlers habe ich dabei mit einem Fluke-8846A-Multimeter überwacht (ungünstigste Unsicherheit je nach Messbereich: 0,0072%).
Im Bereich 1 V/A habe ich beginnend mit einem Strom von 100mA in 100mA-Schritten die Werte für Strom und Spannung aufgenommen. Den 1 V/A-Bereich habe ich nur mit 2 Werten getestet (0,5 A und 1 A), da das 3458A nur Messungen bis 1,1 A zulässt. Die hierbei erzielten Werte sollten mit Vorsicht genossen werden; der Digitfehler macht aus 0,002% schnell 0,02%. Trotzdem ist das Ergebnis beeindruckend.
Die Messwerte: Fazit:
Mit relativ geringem Aufwand ist es durchaus möglich, Meßzusätze zu bauen, die in der Genauigkeit (besser: Unsicherheit) nahe an Laborgeräte herankommen. Eine Strommessung wird hier speziell durch den erheblich niedrigeren Innenwiderstand erheblich genauer als eine direkte Messung (Schätzung) mit einem Standardmultimeter.

