Ich möchte mir einen Sternenhimmel bauen.
Die LED´s sind leider von einem anderen Hersteller, desen Name mit "R" oder auch "P" beginnt....
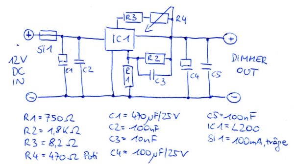
Mein Problem wäre, ob es möglich ist, ca. 100-140 LowCurrent LED´s mit dieser Schaltung hier http://www.fordpuma.ch/public/images/di ... altung.jpg zu dimmen??
Welche anderen möglichkeiten gäbe es eine so große Anzahl an LED´s zu dimmen?
Platinen löten und zusammenbauen alles kein Problem nur mit dem Verstehen und das auch noch allein Umsetzten ist noch ein Problem von mir, deshalb wende ich mich mal an euch!!
Wenn genauere Angaben zu LED´s und Netzteil benötigt werden, bitte fragen!
mfg



