Music2Light II

Fragen zu Schaltungen, Elektronik, Elektrik usw.

Moderator: T.Hoffmann

luckylu1
Hyper-User
Hyper-User
Beiträge: 1405
Registriert: So, 29.04.07, 05:11
Wohnort: berlin

So, 23.09.07, 16:04

scorpion /es sollen an den oberen beiden spannungen je 200mA fliessen

HeLgZhatgelitten /es kommt darauf an wie gut das ganze sein soll, da gibt es sicher auch einfachere varianten,
welche quelle willst du verwenden?
Benutzeravatar
Scorpion
Ultra-User
Ultra-User
Beiträge: 918
Registriert: Fr, 20.07.07, 13:07

So, 23.09.07, 16:17

mh ok werd das ganze mal endlcih testen -.-^^ schreib nacher die ergebnisse ich kann allerdings den strom nicht überall messen wenn cih total belaste. weil cih ja nru ein funktionales multimeter hab. danke für die hilfe am SO!^^
luckylu1
Hyper-User
Hyper-User
Beiträge: 1405
Registriert: So, 29.04.07, 05:11
Wohnort: berlin

So, 23.09.07, 18:10

dann eben 2 oder 2 mal belasten und jeweils den strom in einem anderen zweig messen, bei den spannungen kommen dann eben noch 2 oder 3 messungen dazu.
Benutzeravatar
Scorpion
Ultra-User
Ultra-User
Beiträge: 918
Registriert: Fr, 20.07.07, 13:07

So, 23.09.07, 18:27

mh also erstmal hab cih ein probelm^^ dachte ich hätte eig die ergebnisse schonmal gepostet aber sie sind weg?! kann sein ich hab mich im Thread verklcikt alsofals wass wirres in nem anderen thread steht sorry dann hab cihmich verklcikt obwohl ich bei einem meiner posts die edit funktion genommen habe und auch 20 Credits dafür bekommen hab ? komisch ... naja dann eben hier ncohmal:

hab mit konstantan die wiederstände gemacht hab leider nru einen 12Ohm hinbekommen habs zuspät gemerkt und wolte dann cniht wieder alles umbaun hoffe der ist auch ok? da die 2 A ja eig überlastet wären. also erstmal nur den12Ohm zwishcen UB3+ und masse geklemmt und gemessen 8,45 V dun 780 mA auch nach 10 min wurde der Traffo nciht merkabar wärmer. also glecihmalden nächsten versuch .. alle wiederstände ran zwischen +/masse und -/ masse jeweils einen 50 Ohm (hab cih zufällig genau getroffen). und mal gemessen uzwischen +/masse liegen 8,3 V und 155mA zwischen -/masse liegen 9,5 V und 190mA (schwangt stark bis runter auf 170 mA manchmal!)und den 12 Ohm widerstansd bei UB3 nochmal gemessen der hatte jetzt noch 8,1 V udn 700 mA. dann hab ich nochn paar stellen in der shcaltung gemessen:
an der Gleichrichterbrücke liegen 17,8 V am DC bereich an udn am Ac bereich 14,8 V an der shottkydiode 18,6 V
nach weiteren 10 min wurde der traffo leicht warm allerdings nicht arg höchstens lauwarm also so angenehmen tee drink wärme ^^ als realen verglecih. hatte leider kein thermometer.

der 12Ohm wiederstand war allerdings sehr warm und der keramik rin (jaja cih weis ich hätte ihn nciht nehmen sollen ..^^) hat mit stinken angefangen, das war aber schon alles^^
luckylu1
Hyper-User
Hyper-User
Beiträge: 1405
Registriert: So, 29.04.07, 05:11
Wohnort: berlin

So, 23.09.07, 20:42

dann lass es erstmal dabei und bau das alles vernünftig auf die platine, das mit der schwankung liegt sicher an deinem aufbau, auf der platine solltest du dann aber richtig löten^^
Benutzeravatar
Scorpion
Ultra-User
Ultra-User
Beiträge: 918
Registriert: Fr, 20.07.07, 13:07

So, 23.09.07, 21:10

jo klar^^ verkleben funktioniert wohl nicht hehe^^

melde mcih sobald das dann fertig ist, schätze mal morgen doer vielleciht acuh erst dienstag. dann könten wir mit der ersen frequenzweiche beginnen oder?
luckylu1
Hyper-User
Hyper-User
Beiträge: 1405
Registriert: So, 29.04.07, 05:11
Wohnort: berlin

Mi, 26.09.07, 19:18

mmm, noch nicht fertig?
Benutzeravatar
Scorpion
Ultra-User
Ultra-User
Beiträge: 918
Registriert: Fr, 20.07.07, 13:07

Mi, 26.09.07, 21:27

nein sorry gibt ein kleines problem mit den platinen, mein "liferant" hat meine vergessen und unser akuschrauber wird immer auf der baustelle gebraucht dann komm cih fast nciht dazu die normale größer bzw anders zu bohren, aber das kommt schon hin im laufe der Zeit. verkraftet eig eine normale Europlatine 230V netzspannung oder braucht man da spezielle?

ansonsten könnten wir doch schon weiter machen oder? bin zimlcih gespannt auf die lösung der frequenzweiche!
luckylu1
Hyper-User
Hyper-User
Beiträge: 1405
Registriert: So, 29.04.07, 05:11
Wohnort: berlin

Fr, 28.09.07, 01:44

du kannst grundsätzlich jede leiterplatte für 230V nehmen, du musst nur etwas beachten!
es muss eine überschlagsfestigkeit zwischen der primär und der sekundärseite des gerätes garantiert sein, am einfachsten erreichst du das mit einem sicherheitsabstand. für die messung gibt es genaue vorschriften um die spannungsfestigkeit zu testen, da den meisten solche möglichkeiten nicht zur verfügung stehen, sollten folgende bedingungen erfüllt sein (das gilt für jedes gerät, wo elektrisch leitende teile aussen berührt werden können, sicherheitshalber für jedes selbstgebaute gerät!)
da die mindestspannungsfestigkeit gegen überschläge bei 3,5kV(kilovolt) liegt und für 1000V ca. 1mm luftstrecke anzusetzen ist, sollte der luftsicherheitsabstand mindestens 6mm betragen. diese entfernung ist immer zu garantieren, das bedeutet, selbst nach einem absturz des gerätes, zb. vom tisch muss dieser abstand im inneren gewährleistet bleiben! demzufolge empfiehlt es sich gerade für laien und unkundige besonders umsichtig zu sein und das von einem fachmann begutachten zu lassen! alle leitungen sollten so verlegt sein, das selbst bei unachtsamkeit keine berührung von teilen
möglich ist, die eine höhere spannung als 42V~ oder 60V- in irgendeinem betriebsfall erreichen können! sollen in einem gerät, welches spannungen über den angegeben führen kann, durchgeführt werden, ist ein (schutz)trenntrafo zu verwenden, in fachwerkstätten ist dieser vorgeschrieben, da sollten laien also noch viel vorsichtiger sein!!!! am besten wäre es ausser dem sicherheitsabstand immer noch zusätzlich andere isolationen vorzusehen, das können epoxidharzlacke oder kleber sein, silikon eignet sich auch, in jedem fall ist die aushärtezeit unbedingt vor einer inbetriebsetzung abzuwarten!

jetzt mal noch zwei mentalitäten, die besonders gefährdet sind, jeder sollte sich beim umgang mit solchen geräten selbst kontrollieren und beim entdecken einer solchen an sich selbst eine pause machen!
die eine ist die, bis jetzt ging es gut, das lässt diese gruppe immer leichtsinniger werden,
der erhaltene elektrische schlag ist dann irgendwann die zwangsläufige quittung!
die andere ist nackte angst, dieser gruppe rate ich dringenst zu lernen, was genau verstanden wurde bietet keinen grund für ängstlichkeit!!! desweiteren sollten mitglieder dieser gruppe sich auf die fehlersuche im ausgeschalteten zustand spezialisieren.

und zu guter letzt:
lernt, wie ihr euch verhalten müsst, wenn es doch einmal passiert!
als erstes, trotz des mehr oder weniger ausgeprägten schockes (zumindest die ersten 10 mal Lol)
solltet ihr wissen, was sehr gefährlich ist und was nicht so sehr ( herzkranke menschen sollten sich dem risiko keinesfalls aussetzen).
das gefährlichste ist ein stromfluss zwischen beiden armen, daher kommt auch die empfehlung, die linke hand in die hosentasche zu stecken, dieser rat sollte durchaus befolgt werden, menschen mit feuchten händen sind hier besonders gefährdet.
der zweitschlimmste fall, linker arm-rechtes bein kann damit ebenfalls vermieden werden.
rechter arm-linkes bein und bein-bein sind weniger gefährlich können aber trotzdem tödlich sein.
isolierendes schuhwerk und geeignete kleidung sollte selbstverständlich sein, elektriker tragen nicht nur aus eitelkeitsgründen meist einen overal.
sollte es, trotz vorsicht, mal zu einem unfall (jeder elektrische schlag ist als solcher anzusehen)
kommen, sollte man den stromweg im nachhinein analysieren, könnte ein stromfluss über das herz möglich gewesen sein, sollte man einen arzt aufsuchen und ein ekg machen lassen.
aus unfallanalysen ist bekannt, das ein herzkammerflimmern bis zu 3 tage nach dem unfall einsetzen kann!
um einen leichten anhaltspunkt über die eigene gefährdung zu gewinnen, kann jeder der im besitz eines multimeters ist, mal seinen widerstand von hand zu hand messen, wer dabei unter 200kohm misst, zählt zu der gefährdetsten gruppe und sollte besonders vorsichtig sein.
das bedeutet allerdings für die anderen nicht, das sie unvorsichtig sein dürfen, obwohl mein widerstand, bei dieser messung, so gut wie nie unter 1megaohm liegt, habe ich einen schlag nie als angenehm empfunden!
das alles können nur ernstzunehmende hinweise sein, es gibt hier keinesfalls ein "vollständig abgehandelt", wer meint, das ich das zu ernst nehme, wird seine meinung sicher ändern, wenn etwas passiert ist!

zum merken: alter schützt vor torheit nicht aber torheit kann vor alter schützen.

noch eine kleine geschichte, die zeigt, das man nicht dumm genug denken kann:
ein freund wollte seinen fernseher reparieren, ich war damals 16, selbstverständlich habe ich die von ihm benötigte bildröhre vorgeführt, diese war nicht implosionsgeschützt! mangels transportmöglichkeit (fahrad), schied ein ordentlicher karton aus und die röhre wurde in ein damals übliches einkaufsnetz getan. das war über 3h nach der vorführung! als er sich auf der treppe nochmal umdrehte, verpasste er eine stufe, beim stolpern hielt er die röhre noch zusätzlich mit der anderen hand und...... bekam einen schlag, um haaresbreite wäre er die treppe herruntergefallen! obwohl die kapazität einer bildröhre nur wenige pF beträgt, war diese auf grund des hohen isolationswiderstandes noch auf ein paar tausend volt aufgeladen, der schlag war zwar eigentlich relativ harmlos (gleichspannung) aber trotzdem heftigdas er nicht die treppe hinunter viel, war reines glück und ich wundere mich noch heute, das er trotzdem mit dem fahrad seine gefährliche fracht nach hause brachte.

das zeigt, jeder ist für sich selbst verantwortlich und sollte sich darüber im klaren sein, das eine eigene gefährdung oder die von anderen, vermieden werden muss.
Benutzeravatar
Scorpion
Ultra-User
Ultra-User
Beiträge: 918
Registriert: Fr, 20.07.07, 13:07

Fr, 28.09.07, 17:10

mh ist gut dass du das sagst. sollte zwar eigentlcih "klar" sein aber selbst ich hab einiges lernen können^^
noch eine frage wegen der überschlagssicherung, funktioniert heißkleber da auch oder ist der eher ungeeignet? und mein traffo ist ein solcher wie in deinem post genannt oder? der hat ja zweimal 110 V ? dann hab ich mri noch überlegt werd ich warscheinlich vor der ganzen schaltung ein rotes "sicherheits" lämpchen reinmachen rein zur kontrolle damit man immer sieht ob spannung drauf ist oder ob nicht, hab da eines gefunden das mandirekt an 220 V schließen kann mit eingebautem vorwiederstand. ist so eine kontrollleuchte aus einer heizungsanlage. belibt nur die frage ob dieses lämpchen sehr "verschwenderisch" ist wegen dem vorwiederstand, leider kann ich den nciht bestimmen aber gibt es solche lämpchen mit relativ viel Volt aber trotzdem nur n halben cm durchmesser?
luckylu1
Hyper-User
Hyper-User
Beiträge: 1405
Registriert: So, 29.04.07, 05:11
Wohnort: berlin

Fr, 28.09.07, 18:10

der trafo ist so ausgelegt, das die beiden primär-wicklungen in reihe geschaltet werden sollen, bei 110V dann parallel, printtrafos haben einen internen schutz und werden vom hersteller geprüft, es handelt sich dabei um sicherheits-trenntrafos, das steht auf dem kennzeichnungsfeld, entsprechend drauf. hier musst du also nur extern für eine entsprechende isolation sorgen.

heisskleber ist zwar elektrisch auch isolierend, bei wärme abgebenden teilen aber ungeeignet.

die von dir angeführte lampe ist sicherlich eine glimmlampe, sieh mal bei wikipedia nach.^^
der verbrauch ist sehr gering, das erkennst du schon daran, das diese kaum warm wird. keinesfalls darf der widerstand weggelassen werden, da es sonst zum unkontrolliertem stromanstieg kommt,
dann wird aus der glimmentladung eine lichtbogen-entladung, diese zerstört in sehr kurzer zeit die glimmlampe und es gibt einen kurzschlusst (annähernd). die kennlinie ist in der form mit der einer
led vergleichbar nur auf einem viel höherem spannungsniveau, das wurde früher auch zur spannungsstabiliesierung ausgenutzt. die lebensdauer ist bei einhaltung der betriebsparameter, sehr
sehr hoch und dürfte weit über allen anderen lichterzeugenden bauteilen liegen, selbst 500°C
ist bei entsprechender auslegung kein problem. der wirkungsgrad ist allerdings sehr niedrig.
Benutzeravatar
Scorpion
Ultra-User
Ultra-User
Beiträge: 918
Registriert: Fr, 20.07.07, 13:07

Mo, 01.10.07, 19:46

so endlcih nach langem warten ist es so weit Platine ist aufgebort für traffo und der rest ist nur verlöt und einlochsache. noch ne kurze frage bevor alles fertig gestellt wird, muss ich irgendwelche bauteile kühlen bzw von anderen entfernt platzieren dass die wärme entwicklung nicht zugroß wird?

EDIT:
habs jetzt einfach mal so eingelötet da Condensatoren glecihrichter und shottkys keine energie verbrauchen werden sie auch keine wärme entwickeln^^ dann kanns doch jetzt weiter gehn mti den frequenzweichen ? Lucky?
luckylu1
Hyper-User
Hyper-User
Beiträge: 1405
Registriert: So, 29.04.07, 05:11
Wohnort: berlin

Do, 04.10.07, 00:59

das hatte jetzt ganz schön lang gedauert, setz doch mal ein bild rein, damit andere das nachbauen können.

ich habe mich jetzt dazu entschlossen, die sache ein wenig anders weiterzuführen, da das ganze
mit echter PWM, mit strombegrenzung und steuerbar ausgeführt wird, kann diese baugruppe auch separat genutzt werden. eventuell füge ich später noch andere endstufen hinzu, die vor und nachteile der jeweiligen varianten werde ich noch erläutern.

für die steuerbare konstantstromquelle kommt ein step-up wandler zum einsatz, für diesen wird es von mir ein layout einer streifenleiterplatte geben, erstens ist so der aufbau auch für anfänger geeignet und zweitens, da ich die schaltung am grünen tisch entwickle, sind nachträgliche änderungen leicht möglich, falls mir dabei ein fehler unterläuft.

wer alles dann auf einer platine haben möchte, muss die einzelnen baugruppen dann nur auf einer grösseren streifenleiterplatte mehrmals aufbauen.

als sinnvolle ergänzung wird es ein pausenlicht geben, das heißt, wenn kein signal anliegt, leuchtet eine separate led.

heute oder morgen gibt es dann den schaltplan und das layout einen tag später.
Benutzeravatar
Scorpion
Ultra-User
Ultra-User
Beiträge: 918
Registriert: Fr, 20.07.07, 13:07

Fr, 05.10.07, 20:30

Also gut freu mich schon auf den nächsten schritt. Netzteil hat etwas länger gedauert ok geb cih zu aber das nächste mal weis ich wie es geht und es geht schneller.gab eben auch wie schon oben geschrieben probleme mit demlochraster ...


so hat doch funktioniert mit den Bildern. ging etwas anders wie früher desshalb hab ichs wohl erst nicht gesehn diese dateianhänge. aber sauerei nur noch 1MB pro bild! naja früher war eben alles besser :D


Wollte mal ein How² draus machen aber dann gibts n paar bilder eben schon im voraus^^


gruß und schönen abend allerseits

Scorpion
Dateianhänge
und das ist das Fertige Netzteil mit allen Bauelementen von oben. mh wenn cih das bild so betrachte fällt mir auf dass ich die einzelnen ausgänge wie Ub 1/3 + sowie Masse und - noch gar nicht rausgezogen habe auf eine Lüstenklemme ... muss ich doch gleich noch machen.
und das ist das Fertige Netzteil mit allen Bauelementen von oben. mh wenn cih das bild so betrachte fällt mir auf dass ich die einzelnen ausgänge wie Ub 1/3 + sowie Masse und - noch gar nicht rausgezogen habe auf eine Lüstenklemme ... muss ich doch gleich noch machen.
Hier die Platine von unten. die langen hellleuchtenden streifen sind nichts anderes als die stellen an denen ich mit nem dremel die leiterbahnen durchtrennt habe. dachte das ist vielleciht noch ne nummer zuverlässiger als nur mit nem messer ...
Hier die Platine von unten. die langen hellleuchtenden streifen sind nichts anderes als die stellen an denen ich mit nem dremel die leiterbahnen durchtrennt habe. dachte das ist vielleciht noch ne nummer zuverlässiger als nur mit nem messer ...
Die Platine noch bevor sie bestückt wurde. hab mir alles mal 1:1 aufgemalt um besser hantieren zu können. man kann einzelne löcher schon größergebohrt sehen. ligt daran dass manchmal das raster nicht passte oder die anschlussbeinchen zu dick waren^^
Die Platine noch bevor sie bestückt wurde. hab mir alles mal 1:1 aufgemalt um besser hantieren zu können. man kann einzelne löcher schon größergebohrt sehen. ligt daran dass manchmal das raster nicht passte oder die anschlussbeinchen zu dick waren^^
Zuletzt geändert von Scorpion am So, 07.10.07, 13:29, insgesamt 1-mal geändert.
luckylu1
Hyper-User
Hyper-User
Beiträge: 1405
Registriert: So, 29.04.07, 05:11
Wohnort: berlin

Sa, 06.10.07, 17:54

irgendwie bin ich wieder zum icewars junky mutiert Lol, sorry

scorpion/ die bilder müssen in jpg gewandelt werden, dann funzt es auch mit dem anzeigen, am einfachsten kannst du das mit paint bewerkstelligen.

hoffentlich klappt das mit den bildern
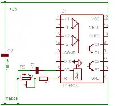
noch kurz zu dem verwendeten pwm controller, der tl494 ist zwar schon etwas betagt aber durch seine möglichkeiten immer noch eine sehr gute wahl.
der betriebsspannungsbereich liegt zwischen 7V (eventuell auch weniger, einfach mal ausprobieren, es soll exemplare geben, die auch schon mit 5V laufen)
und 40V (diese dürfen keinesfalls überschritten werden)!
hier nun die optionen die dieser chip bietet:
2 komperatoren mit jeweils einem invertierendem und einem nicht invertierendem eingang, üblicherweise wird einer für die ausgangsspannungsregelung und einer für die strombegrenzung genutzt.
einen dead time (tot-zeit ) eingang, wir werden über diesen die helligkeit steuern
2 unabhängige ausgänge, treibertransistoren mit einem zulässigen maximalstrom von je 200mA(bei einigen herstellern sind die maximalen ströme auch grösser)
eine interne referenzspannungsquelle, damit entfällt eine zusätzliche beschaltung zur erzeugung einer solchen.
einen internen taktgenerator (oszillator) der sich von einigen herz bis zu 500kHz nutzen lässt, damit können fast beliebige kondensatoren und widerstände zur einstellung der frequenz genutzt werden. weiterhin, können an einem tl494 weitere ic´s angeschlossen werden und im slave betrieb arbeiten, sparfüchse können hier also noch ein paar widerstände und kondensatoren einsparen.

damit es spass macht und jeder sich seine wunschschaltung zusammenbasteln kann, werde ich das step by step erläutern, ich empfehle zumindest beim ersten exemplar die verwendung einer
ic-fassung, erstens können dann schnell mal ic´s getestet werden und zweitens ist es für anfänger nicht so schwierig einen zerschossenen ic zu entsorgen, dem einen oder anderen wird das trotz
grosser sorgfalt schon mal passieren. das ist ganz normal^^ "wo gehobelt wird fallen auch späne"

hier jetzt erst einmal ein link, wo die beschreibung des tl494 von verschiedenen herstellern zu finden ist.
datenblatt
da ja anfänger oft kein englisch können *g* und auf grund der verwendeten fachbegriffe oft nicht
richtig dahinter steigen, was denn eigentlich gemeint ist, werde ich versuchen es "volkstümlich" zu erklären (bitte mein geschreibsel nicht zu ernst nehmen und sauer sein^^)
tl494 001.JPG
tl494 001.JPG (14.43 KiB) 12441 mal betrachtet
Benutzeravatar
Scorpion
Ultra-User
Ultra-User
Beiträge: 918
Registriert: Fr, 20.07.07, 13:07

So, 07.10.07, 13:31

so Bilder sind drin. hab nur gerade festgestellt dass cih gar keinen solchen IC hab. denkst soeiner ist in einem CRT? das hätt ich nämlich grad einen rumstehn^^
luckylu1
Hyper-User
Hyper-User
Beiträge: 1405
Registriert: So, 29.04.07, 05:11
Wohnort: berlin

Mo, 08.10.07, 18:39

da sollten eigentlich 4 stück drin sein, könnte auch KA7500 heissen, sieh einfach noch mal nach^^
wenn nicht, was ich kaum glaube, schlachtest du einfach ein altes AT oder ATX netzteil, da ist mit etwa 90% sicherheit ein solcher chip drin.

in vielen crt´s sind UC3842A verbaut, manchmal bis zu 3stück, die sind zwar auch verwendbar, nur die aussenbeschaltung wird dann aufwändiger, ausserdem braucht der eine mindestbetriebsspannung von 14,5V bis 17,5V, die maximale betriebsspannung liegt auch bei 30V.
aufheben solltest du die schon, damit kannst du später noch so einiges anstellen.^^

hier nun die oben schon beschriebene beschaltung des oszillators und der blockkondensator
tl494 002.JPG
Benutzeravatar
Scorpion
Ultra-User
Ultra-User
Beiträge: 918
Registriert: Fr, 20.07.07, 13:07

Mo, 08.10.07, 20:53

ok hab 2 mit der aufschrifft gefunden dann sind noch drei weitere drin mit demselben aussehn(jaja cih weis das muss gar nichts heisen^^) zwei LM339Ns und ein DBL494.

noch ne kurze frage zur schaltung:
liege ich richtig dass das bauelement an ausgang 6 ein Potti ist? dann macht der doch keine sinn oder? also der potti aj als widerstand aber der drehregler ist doch dann sinnlos? oder wird der teil dann doppelt gerechnet?


viel stress gerade, mh? du warst doch früher immer so schnell im reposten *gg*
luckylu1
Hyper-User
Hyper-User
Beiträge: 1405
Registriert: So, 29.04.07, 05:11
Wohnort: berlin

Do, 11.10.07, 23:29

ups / da sind ja schon wieder paar tage um *g* naja, irgendwie sind die prioritäten etwas verrutscht^^ :mrgreen:

der lm339 ist ein 4 fach komparator und der DBL494 ist ein äquivalenttyp zum TL494, warum benutzt du nicht mal den obigen link, dann hättest du das schnell selbst rausgefunden.

der festwiderstand begrenzt den minimal einstellbaren wert (höchste frequenz) und verhindert somit auch ein aussetzen der schwingungen, der wert ist recht unkritisch, unter 1,8kohm solltest du aber trotzdem nicht gehen. der gesamtwiderstand ergibt sich durch die addition der beiden werte, somit kannst du die frequenz verändern.

für C liegen die möglichen werte zwischen 4,7nF und 10µF, für R zwischen 1,8kohm und 500kohm,
damit dürfte das ausreichend erläutert sein. bei entsprechenden werten (10µF und 500kohm) lässt sich das schwingen mit einem kopfhörer oder einem kleinen lautsprecher am ausgang kontrollieren.

hier mal der erste schritt in bezug auf die universal platine, der ic wird von oben betrachtet, die
leiterbahnen hingegen als wenn sie "durchscheinen". obwohl es solche nur mit lötpunkten versehenen platinen auch gibt, empfehle ich welche mit waagerecht durchgehenden leiterbahnen, diese werden unter der fassung oder dem chip durchtrennt, so das alle anschlüsse des ic´s einzeln angeschlossen werden können. die fassung bietet noch einen anderen vorteil, der abblockkondensator kann problemlos unter dem ic, mit sehr kurzen anschlüssen montiert werden,
eine umständliche leiterführung entfällt dann also.
music2light brd001.JPG
Benutzeravatar
Scorpion
Ultra-User
Ultra-User
Beiträge: 918
Registriert: Fr, 20.07.07, 13:07

Mo, 15.10.07, 20:24

was meinst mit dem abvblockkondensator? C1 oder? und ist der IC genau so dargestellt wie im schaltplan? also oben links anschluss 1 und unten rechts anschluss 7.

und an welches Ub+ soll ich den anschließen von meinem Traffo? hab ja 2 verschiedene^^

jetzt kapier ich das mti dmepotti erst ... ist mir einer aufm schlau gestanden^^ d.h. aber dass man den dritten anschluss also der wo NICHT vom schiebe regler sondern vom gesamten Potti abgeht eig auch weglassen kann oder?

und mal ne doofe frage ... wie gehts weiter und für was brauch ich sowas alles denn? *gg*
luckylu1
Hyper-User
Hyper-User
Beiträge: 1405
Registriert: So, 29.04.07, 05:11
Wohnort: berlin

Fr, 19.10.07, 02:44

sorry, war bissel unterwegs, morgen geht es mal etwas schneller weiter.

ic´s werden immer in der draufsicht dargestellt, oben links ist also der pin 1, gezählt wird entgegen dem uhrzeiger.

hier wird die lastspannung angeschlossen, Ub3 also

bei potis, die nur als einstellbarer widerstand benutzt werden, wird der schleifer mit einem aussenanschluss verbunden und diese verbindung wird "näher" richtung masse geschaltet.
die gründe dafür sind recht einfach: sollte der schleifer mal kontaktunterbrechungen haben (beim durchdrehen) liegt immer noch der gesamtwiderstand an den anschlüssen.
die grössere masse von bauteilen ist grundsätzlich immer richtung masse zu legen (wenn es die schaltung zulässt), da so weniger störungen "eingefangen" werden.
Benutzeravatar
Scorpion
Ultra-User
Ultra-User
Beiträge: 918
Registriert: Fr, 20.07.07, 13:07

So, 21.10.07, 10:56

ok Potti versteh ich ... fals der schleifer mal nicht mehr "schleift" . aber das mti linksoben ist eins und dann im gegenuhrzeigersinn stimmt dann bei deinem schlatplan nicht oder? weil da fängts mit 1 , 2 an dann kommt aber 16 ???? oder darf man die aufm schaltplan vertauschen wie man gerne möchte?

udn was meinst du mit der "größeren" Masse richtung masse? mh gut ist vieleciht für mich ncoh nicht so wichtig. ^^
Antworten