Tauchlampe Umbau auf LED
Moderator: T.Hoffmann
Meine Idee dazu ist: Spannung am Ausgang der Schaltung genau vermessen (mit Oszi). Und das nach Möglichkeit auch bei allen 3 Schaltstellungen und unterschiedlich leeren Akkus. Wenn man die 'Charakteristik' kennt, kann man möglicherweise damit umgehen. Dann könnte man die Platine einfach so lassen.
-
avalanche99
- Mega-User

- Beiträge: 166
- Registriert: Di, 06.05.14, 01:23
Guten Abend.
Also ich fahre am Samstag nach Spanien, 1 Woch Tauchen, und die Lampe geht nochmal so mit.
Wenn ich zurück bin gehe ich mit der Lampe zu dem Eltektriker den ich ein paar Post's vorher verlinkt habe.
Wenn der mir nicht weiterhelfen kann, werde ich mir eine neue Lampe kaufen, vorraussichtlich diese hier:
http://www.green-force.com/DiveTorches/ ... aXPGH.html
Ein lokaler Laden hier führt diese Marke, wenn ich morgen früh einen Kaufrausch bekomme, geh ich mir sie holen.
MfG
Also ich fahre am Samstag nach Spanien, 1 Woch Tauchen, und die Lampe geht nochmal so mit.
Wenn ich zurück bin gehe ich mit der Lampe zu dem Eltektriker den ich ein paar Post's vorher verlinkt habe.
Wenn der mir nicht weiterhelfen kann, werde ich mir eine neue Lampe kaufen, vorraussichtlich diese hier:
http://www.green-force.com/DiveTorches/ ... aXPGH.html
Ein lokaler Laden hier führt diese Marke, wenn ich morgen früh einen Kaufrausch bekomme, geh ich mir sie holen.
MfG
-
avalanche99
- Mega-User

- Beiträge: 166
- Registriert: Di, 06.05.14, 01:23
Danke.
War nicht shoppen, bin stark geblieben.
Melde mich wenn ich wieder aufgetaucht bin.
Habe den Elektriker kontaktiert, die verkaufen nur Elektobauteile, machen keine Analyse von Bauteilen und löten auch nichts für Kunden.
MfG
avalanche99
War nicht shoppen, bin stark geblieben.
Habe den Elektriker kontaktiert, die verkaufen nur Elektobauteile, machen keine Analyse von Bauteilen und löten auch nichts für Kunden.
MfG
avalanche99
- Achim H
- Star-Admin

- Beiträge: 13067
- Registriert: Mi, 14.11.07, 02:14
- Wohnort: Herdecke (NRW)
- Kontaktdaten:
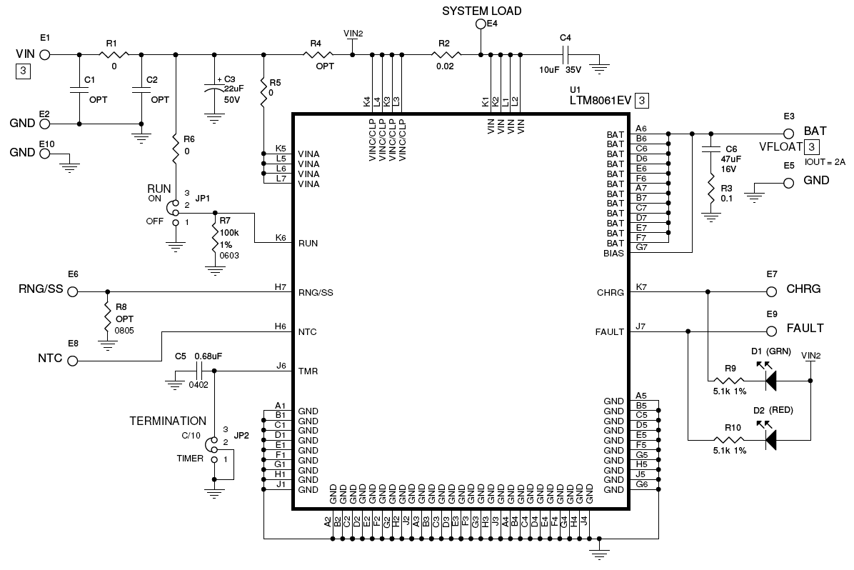
Ich habe mich die letzte Nacht noch bei einigen IC-Herstellern (unter anderem: Texas Instruments, Microchip, On Semiconductors) nach einem geeigneten Batterie-Management umgeschaut. Bei einigen Herstellern gab es zwar auch Systeme für 2 Zellen Li-Ion (8,4V) oder mehr Zellen, in den Datenblättern sind aber überwiegend nur Schaltungen für 1 Zelle abgebildet. Und dort wo eine Schaltung für mehrere Zellen abgebildet war, war die Schaltung viel zu aufwändig und somit der Platzbedarf viel zu hoch. Schnellladefähig (Ladestrom >1,5A) waren die wenigsten Schaltungen. Kurz gesagt: Fehlanzeige. Tut mir leid.
Nachtrag:
Ich habe noch eine interessante Schaltung (Battery Management) gefunden. Dieses funktioniert mit Spannungen von 12V bis 32V und kann einen Strom von maximal 2A bei 8,4V liefern (2 Zellen a 4,2V in Reihe).
Das erforderliche IC (LTM8061 von Linear) hat 77 Kontakte (aufgebaut als Array: 11 x 7, Größe des IC: 15 x 9mm).
Die 77 Kontakte hören sich im ersten Moment wahnsinnig kompliziert an, in Wirklichkeit sind es nur 11 Kontakte:
Bank 1 = 46 Kontakte für GND
Bank 2 = 12 Kontakte für den Pluspol Batterie
Bank 3 = 4 Kontakte für VinA
Bank 4 = 4 Kontakte für VinC
Bank 5 = 4 Kontakte für Vin
+ 7 einzelne Kontakte (Bias wird direkt mit Bank 2 verbunden).
Schaltplan (Bild im PNG-Format)
Einziger Nachteil: das IC ist im LGA-Package. Sowas bekommt man nicht mehr von Hand gelötet.
Nachtrag:
Ich habe noch eine interessante Schaltung (Battery Management) gefunden. Dieses funktioniert mit Spannungen von 12V bis 32V und kann einen Strom von maximal 2A bei 8,4V liefern (2 Zellen a 4,2V in Reihe).
Das erforderliche IC (LTM8061 von Linear) hat 77 Kontakte (aufgebaut als Array: 11 x 7, Größe des IC: 15 x 9mm).
Die 77 Kontakte hören sich im ersten Moment wahnsinnig kompliziert an, in Wirklichkeit sind es nur 11 Kontakte:
Bank 1 = 46 Kontakte für GND
Bank 2 = 12 Kontakte für den Pluspol Batterie
Bank 3 = 4 Kontakte für VinA
Bank 4 = 4 Kontakte für VinC
Bank 5 = 4 Kontakte für Vin
+ 7 einzelne Kontakte (Bias wird direkt mit Bank 2 verbunden).
Schaltplan (Bild im PNG-Format)
Einziger Nachteil: das IC ist im LGA-Package. Sowas bekommt man nicht mehr von Hand gelötet.
-
avalanche99
- Mega-User

- Beiträge: 166
- Registriert: Di, 06.05.14, 01:23
Hallo.
Habe Borax die Lampe zugeschickt, er hat mir angeboten die Platine auszulesen. Bin auf das Resultat gespannt.
Wollte schon weiter planen, aber habe da ein Platzproblem. Also habe eine 4,5cm grosse Rundplatine platz für die LED's.
Wollte eigentlich Cree XM -L oder XM-L2 LED's verbauen, leider habe ich ein Platzproblem für die Optiken für diese beiden LED Modelle. 4-6 LED's wollte ich verbauen, leider gibt es die 10mmx10mm Optiken von Carclo nicht für die XM-L oder XM-L2.
Entweder ich verbaue andere LED's oder ich muss andere Optiken finden.
Kann mir da jemand einen Tip geben, habe jetzt ca. 3St gesucht im Netz, nichts gefunden. Auch multi-Optiken habe ich nicht gefunden für 4 oder 6 LED's.
Andere Optiken oder eben andere LED's, bin offen für Tips.
MfG
avalanche99
Habe Borax die Lampe zugeschickt, er hat mir angeboten die Platine auszulesen. Bin auf das Resultat gespannt.
Wollte schon weiter planen, aber habe da ein Platzproblem. Also habe eine 4,5cm grosse Rundplatine platz für die LED's.
Wollte eigentlich Cree XM -L oder XM-L2 LED's verbauen, leider habe ich ein Platzproblem für die Optiken für diese beiden LED Modelle. 4-6 LED's wollte ich verbauen, leider gibt es die 10mmx10mm Optiken von Carclo nicht für die XM-L oder XM-L2.
Entweder ich verbaue andere LED's oder ich muss andere Optiken finden.
Kann mir da jemand einen Tip geben, habe jetzt ca. 3St gesucht im Netz, nichts gefunden. Auch multi-Optiken habe ich nicht gefunden für 4 oder 6 LED's.
Andere Optiken oder eben andere LED's, bin offen für Tips.
MfG
avalanche99
Wegen den LEDs und Linsen... Entweder 4 Stück XM-L oder 6 Cree XP-G2 R5 (die sind wesentlich kleiner und daher passen auch 10x10mm Linsen). Dass könnte dann vielleicht gerade so rein passen.
Erste Ergebnisse zur Elektrik der Lampe...
Wie erwartet PWM. Die PWM Frequenz liegt bei knapp 250Hz, Spannung (ich nehme an der Akku ist voll geladen) liegt bei 7.8V, und der Strom (mit der Halogenbirne) bei knapp 4A (kann ich mit dem Oszi nicht so genau messen). Duty Cycle je Stufe bei 30%, 60% und 90%. Spannung ist unabhängig von der Stufe stabil. Ich lass die Lampe jetzt mal ne halbe Stunde laufen und schau, ob sich die Spannung ändert.
[EDIT]
Und ebenfalls wie erwartet sinkt die Spannung dann massiv ab. Nach 45 Minuten sind es nur noch 6.1V. Das reicht gerade noch für 2 CREE in Reihe wenn die KSQ nur einen minimalen Drop von ca. 0.2V verursacht.
Erste Ergebnisse zur Elektrik der Lampe...
Wie erwartet PWM. Die PWM Frequenz liegt bei knapp 250Hz, Spannung (ich nehme an der Akku ist voll geladen) liegt bei 7.8V, und der Strom (mit der Halogenbirne) bei knapp 4A (kann ich mit dem Oszi nicht so genau messen). Duty Cycle je Stufe bei 30%, 60% und 90%. Spannung ist unabhängig von der Stufe stabil. Ich lass die Lampe jetzt mal ne halbe Stunde laufen und schau, ob sich die Spannung ändert.
[EDIT]
Und ebenfalls wie erwartet sinkt die Spannung dann massiv ab. Nach 45 Minuten sind es nur noch 6.1V. Das reicht gerade noch für 2 CREE in Reihe wenn die KSQ nur einen minimalen Drop von ca. 0.2V verursacht.
-
avalanche99
- Mega-User

- Beiträge: 166
- Registriert: Di, 06.05.14, 01:23
Borax hat die Platine ausgelesen, und nun ist folgendes festgehalten.
Verbaut werden nun 6 Cree XP-G2 R5 auf 10x10mm Platinen, 2in Reihe, 3 Reihen paralell geschaltet mit einem Maximalstrom von 600mA pro Reihe.
Als Linsen weden Carclo 10x10mm verwendet.
Borax kümmert sich um die Elektrik, Kühlkörper/Unterbau für LEDs baue ich.
Als Kühlkörper und auch Unterbau für die LEDs werde ich eine Kupferkonstruktion zusammenbauen wo die LEDs mit Wärmeleitkleber aufgeklebt werden. Die Konstruktion wird dann in das Lampengehäuse geschoben, sodass sie das Lampengehäuse berührt und so durch das Wasser gekühlt wird. Zwischen Lampengehäuse und Konstruktion kommt noch Wäremleitpaste.
Das wäre alles bis zum jetzigen Zeitpunkt, Foto's der fertigen Lampe werden natürlich folgen.
Ist eigentlich Schade dass ich kein Foto des Lichtes mit der alten Halogenbirne habe, dann hätte man vergleichen können ...
MfG
avalanche99
Verbaut werden nun 6 Cree XP-G2 R5 auf 10x10mm Platinen, 2in Reihe, 3 Reihen paralell geschaltet mit einem Maximalstrom von 600mA pro Reihe.
Als Linsen weden Carclo 10x10mm verwendet.
Borax kümmert sich um die Elektrik, Kühlkörper/Unterbau für LEDs baue ich.
Als Kühlkörper und auch Unterbau für die LEDs werde ich eine Kupferkonstruktion zusammenbauen wo die LEDs mit Wärmeleitkleber aufgeklebt werden. Die Konstruktion wird dann in das Lampengehäuse geschoben, sodass sie das Lampengehäuse berührt und so durch das Wasser gekühlt wird. Zwischen Lampengehäuse und Konstruktion kommt noch Wäremleitpaste.
Das wäre alles bis zum jetzigen Zeitpunkt, Foto's der fertigen Lampe werden natürlich folgen.
Ist eigentlich Schade dass ich kein Foto des Lichtes mit der alten Halogenbirne habe, dann hätte man vergleichen können ...
MfG
avalanche99
-
avalanche99
- Mega-User

- Beiträge: 166
- Registriert: Di, 06.05.14, 01:23
Hallo.
Es hat sich was getan ...
Erst mal muss ich ein ganz fettes Danke an Borax schicken, der mir die Elektronik zusammengebaut hat, und die orginal Platine analysiert hat. Danke, danke, danke, ....
Muss mit morgen noch eine kleine quadratische Feile kaufen um die 10x10mm Löscher für die Optiken passgenau hinzubekommen.
Das Kupferteil mit den Löschern wollte ich schwarz lackieren, wenn ich es orginal lasse wird das Kupfer mit dr Zeit ja nicht schön bleiben wegen der Feuchtigkeit.
Die Platte für die Elektrik ist auch fertig, muss da nur noch die Kabel einmal ablöten, Löscher auf der richtigen Stelle bohren.
Zur Befestigung wollte ich Gewindestangen nehmen wie die Orginalen, nur etwas länger.
Muss mir nur noch überlegen wie ich dann den Aufbau mit den LEDs an dem Rest der Lampe festschrauben kann.
Wenn jemand konstruktive Kritik hat, immer erwünscht
MfG
avalanche99
Es hat sich was getan ...
Erst mal muss ich ein ganz fettes Danke an Borax schicken, der mir die Elektronik zusammengebaut hat, und die orginal Platine analysiert hat. Danke, danke, danke, ....
Muss mit morgen noch eine kleine quadratische Feile kaufen um die 10x10mm Löscher für die Optiken passgenau hinzubekommen.
Das Kupferteil mit den Löschern wollte ich schwarz lackieren, wenn ich es orginal lasse wird das Kupfer mit dr Zeit ja nicht schön bleiben wegen der Feuchtigkeit.
Die Platte für die Elektrik ist auch fertig, muss da nur noch die Kabel einmal ablöten, Löscher auf der richtigen Stelle bohren.
Zur Befestigung wollte ich Gewindestangen nehmen wie die Orginalen, nur etwas länger.
Muss mir nur noch überlegen wie ich dann den Aufbau mit den LEDs an dem Rest der Lampe festschrauben kann.
Wenn jemand konstruktive Kritik hat, immer erwünscht
MfG
avalanche99
Sieht doch schon recht gut aus!
Ich weiß jetzt nicht mehr genau wo die Gewindestangen verlaufen... Aber prinzipiell könntest Du damit doch den Aufbau mit den LEDs mit dem Rest der Lampe verschrauben?!Muss mir nur noch überlegen wie ich dann den Aufbau mit den LEDs an dem Rest der Lampe festschrauben kann.
-
avalanche99
- Mega-User

- Beiträge: 166
- Registriert: Di, 06.05.14, 01:23
Die Gewindestangen verlaufen ganz aussen, und der Aufbau kommt eigentlich in den Deckel der Lampe, Durchmesser 5,5cm, Lampe innen 6cm.
Muss es irgendwie mit Schrauben lösen und einem Stück Kupfer für den Abstand ...
Habe jetzt aber ein Problem beim Löten .... ist schon einige Zeit her seit ich das letzte Mal gelötet habe.
Wollte 2 kleinen Abstandstècke an die untere Rundplatte löten, klappt aber gar nicht. Lot bleibt gar nicht am Kupfer und wird gleich hart ...
Habe diese Lötstation:
http://www.amazon.de/CFH-L%C3%B6tstatio ... tation+cfh
und folgendes Lot:
http://www.amazon.de/CFH-Bastlerlot-flu ... ds=cfh+lot
http://www.amazon.de/CFH-Elektroniklot- ... 0ASETKH3WA
Was mache ich falsch?
Ohne Lösung kann ich nicht weiter arbeiten. Und traue mich jetzt auch nicht die Kabel der KSQ abzulöten ....
Edit:
Habe probiert die 2 Kabel abzulöten, Lot wird nicht mal weich ??? Wieso?
Muss es irgendwie mit Schrauben lösen und einem Stück Kupfer für den Abstand ...
Habe jetzt aber ein Problem beim Löten .... ist schon einige Zeit her seit ich das letzte Mal gelötet habe.
Wollte 2 kleinen Abstandstècke an die untere Rundplatte löten, klappt aber gar nicht. Lot bleibt gar nicht am Kupfer und wird gleich hart ...
Habe diese Lötstation:
http://www.amazon.de/CFH-L%C3%B6tstatio ... tation+cfh
und folgendes Lot:
http://www.amazon.de/CFH-Bastlerlot-flu ... ds=cfh+lot
http://www.amazon.de/CFH-Elektroniklot- ... 0ASETKH3WA
Was mache ich falsch?
Ohne Lösung kann ich nicht weiter arbeiten. Und traue mich jetzt auch nicht die Kabel der KSQ abzulöten ....
Edit:
Habe probiert die 2 Kabel abzulöten, Lot wird nicht mal weich ??? Wieso?
Wenn ich mir die Bilder so anschaue, reicht einfach die Leistung des Lötkolbens nicht aus. Die Platten sind doch recht massiv. Eine Möglichkeit wäre, die Kupferplatten mit einer Heizplatte zu erwärmen und im warmen Zustand verlöten. Aber für Ungeübte nicht ganz einfach.
-
avalanche99
- Mega-User

- Beiträge: 166
- Registriert: Di, 06.05.14, 01:23
420 Grad schafft der Lötkolben, reicht das nicht?
Das ist nicht entscheidend. Es kommt darauf an, wie schnell die Wärme abfließt, bzw. was an Nachschub kommt. Messe einmal die Temperatur, wenn Du mit dem Lötkölben auf das Kupfer gehst. Du schreibst ja, dass sich das Zinn nicht verflüssigt.
-
avalanche99
- Mega-User

- Beiträge: 166
- Registriert: Di, 06.05.14, 01:23
Kann das schlecht messen, habe keinen geeigneten Thermometer ...
Das Lot wird schon flüssig, nur bleibt es nicht am Kupfer hängen, verbindet sich nicht damit, es bleit immer an der Spitze des Kolbens hängen und verfestigt sich dann.
Wollte die 2 Kabel an der KSQ ablöten, aber da wird das Lot gar nicht weich!
Das Lot wird schon flüssig, nur bleibt es nicht am Kupfer hängen, verbindet sich nicht damit, es bleit immer an der Spitze des Kolbens hängen und verfestigt sich dann.
Wollte die 2 Kabel an der KSQ ablöten, aber da wird das Lot gar nicht weich!
Wie gesagt, die Kupferplatte führt die Wärme zu schnell ab. Wie Du dem begegnen kannst, schrieb ich ja schon. Oder Du besorgst Dir einen leistungsfähigen Lötkolben, noch besser, einen Gasbrenner. Aber am Einfachsten ist es, die Kupferplatte zu erwärmen.
-
avalanche99
- Mega-User

- Beiträge: 166
- Registriert: Di, 06.05.14, 01:23
Also habe jetzt Kupferplatte und das kleine Teil was ich anlöten möchte mit dem Gasbrenner erhitzt den ich für creme brulée nutze, leider gleiches Resultat, das Lot verbindet sich nicht mit dem Kupfer und wird dann hart und klumpig ...
Kann also nicht an der Temperatur liegen
Kann also nicht an der Temperatur liegen
- Achim H
- Star-Admin

- Beiträge: 13067
- Registriert: Mi, 14.11.07, 02:14
- Wohnort: Herdecke (NRW)
- Kontaktdaten:
Was benutzt Du als Flussmittel?
Das Kolophonium im Lötzinn ist nicht geeignet.
Besser Lötwasser verwenden (frag mal einen Klempner/Spengler).
Oder selber kaufen. Google-Shopping: Lötwasser
Vorbereitung des Kupfer:
dieses muss absolut sauber und fettfrei sein (Fingerabdrücke enthalten Fett). Dafür kann man einen Poliblock oder auch Stahlwolle (Ako-Pads ohne Seife) verwenden.
Der 48 Watt Lötkolben wird die zugeführte Wärme sehr wahrscheinlich nicht halten können (kühlt sich beim Löten ab). Besser wäre einer mit 100 Watt (noch besser 250 Watt) oder Flamme.
Sollte das damit noch immer nicht funktionieren, kann man das Kupfer auch galvanisch vorbehandeln: versilbern, verzinken, vernickeln.
Das Kolophonium im Lötzinn ist nicht geeignet.
Besser Lötwasser verwenden (frag mal einen Klempner/Spengler).
Oder selber kaufen. Google-Shopping: Lötwasser
Vorbereitung des Kupfer:
dieses muss absolut sauber und fettfrei sein (Fingerabdrücke enthalten Fett). Dafür kann man einen Poliblock oder auch Stahlwolle (Ako-Pads ohne Seife) verwenden.
Der 48 Watt Lötkolben wird die zugeführte Wärme sehr wahrscheinlich nicht halten können (kühlt sich beim Löten ab). Besser wäre einer mit 100 Watt (noch besser 250 Watt) oder Flamme.
Sollte das damit noch immer nicht funktionieren, kann man das Kupfer auch galvanisch vorbehandeln: versilbern, verzinken, vernickeln.
-
avalanche99
- Mega-User

- Beiträge: 166
- Registriert: Di, 06.05.14, 01:23
Also Lötwasser habe ich keines genutzt
Ich könnte es ja auch mit dem Gasbrenner probieren? Der hält sicher die Wärme. Mit dem muss ich ja sicher auch Lötwasser benutzen.
Habe die Fläche mit Glaspapier abgeschliffen, also keine Fingerabsrücke drauf.
Könnte noch mit Alkohol säubern ...
Oder soll ich die kleinen Teile einfach mir Wärmeleitkleber ankleben? Die Schraube mit Mutter hält das Ganze ja zusammen ...
Ich könnte es ja auch mit dem Gasbrenner probieren? Der hält sicher die Wärme. Mit dem muss ich ja sicher auch Lötwasser benutzen.
Habe die Fläche mit Glaspapier abgeschliffen, also keine Fingerabsrücke drauf.
Könnte noch mit Alkohol säubern ...
Oder soll ich die kleinen Teile einfach mir Wärmeleitkleber ankleben? Die Schraube mit Mutter hält das Ganze ja zusammen ...
Sollte reichen.Die Schraube mit Mutter hält das Ganze ja zusammen ...
Komisch... Ich hab die auch mit einem 48W Lötkolben angelötet. Ist die Lötspitze noch neu? Dann erst mal gründlich putzen, dann verzinnen und dann nochmal versuchen. Zum Löten der Platten reicht so ein Lötkolben aber sicherlich nicht.Wollte die 2 Kabel an der KSQ ablöten, aber da wird das Lot gar nicht weich!
-
avalanche99
- Mega-User

- Beiträge: 166
- Registriert: Di, 06.05.14, 01:23
Also bei der KSQ habe ich es mit einfach gemacht, einfach beide Kabel mit der Zange abgezwackt. Löte sie dann wieder neu an, hoffe wenigstens das klappt.
Die Gewindestangen habe ich einfach Neue gebaut die länger sind als die Alten, Sitzt, passt und hat Luft.
Werde die Stücke im Aufbau für die LEDs einfach mit Wärmeleitkleber ankleben, den Rest macht die Schraube mit der Mutter
Habe jetzt noch das Problem den LED Aufbau in der Lampe befestigen, damit ich nur zuschrauben muss, aber wie habe ich keinen Schimmer ...
Löcher für die Kabel für die LEDs fehlen noch, möchte aber als erstes alles befestigen, ehe ich die LEDs einbaue und die Kabel anlöte.
Bin für jeden Tipp offen wie ich das miteinander verbinden könnte damit der Aufbau auch im Lampendeckel genau so sitzt wie auf dem Bild
@ Borax : Könnte ich auf der Platine der KSQ eine Mutter ankleben/löten ode wie auch immer?
MfG
avalanche99
@ Edit: Ja, die Lötspitze ist neu. Werde sie mal säubern und dann nochmal probieren.
Die Gewindestangen habe ich einfach Neue gebaut die länger sind als die Alten, Sitzt, passt und hat Luft.
Werde die Stücke im Aufbau für die LEDs einfach mit Wärmeleitkleber ankleben, den Rest macht die Schraube mit der Mutter
Habe jetzt noch das Problem den LED Aufbau in der Lampe befestigen, damit ich nur zuschrauben muss, aber wie habe ich keinen Schimmer ...
Löcher für die Kabel für die LEDs fehlen noch, möchte aber als erstes alles befestigen, ehe ich die LEDs einbaue und die Kabel anlöte.
Bin für jeden Tipp offen wie ich das miteinander verbinden könnte damit der Aufbau auch im Lampendeckel genau so sitzt wie auf dem Bild
@ Borax : Könnte ich auf der Platine der KSQ eine Mutter ankleben/löten ode wie auch immer?
MfG
avalanche99
@ Edit: Ja, die Lötspitze ist neu. Werde sie mal säubern und dann nochmal probieren.
-
avalanche99
- Mega-User

- Beiträge: 166
- Registriert: Di, 06.05.14, 01:23
Sonst nehme ich Wärmeleitkleber.
Also habe eine Idee, müsste klappen, was meint Ihr dazu? Sehr euch den Anhang an.
Es bliebe dann nur den genauen Abstand zu finden zwischen der Platine mit der KSQ drauf und dem Aufbau der LEDs damit der genau in den Deckel des Lampengehäuses passt.
Es bleibt noch eine Frage: Womit kann ich die Muttern an den Kupferplatinen befestigen? Kleben, Löten, ....??
MfG
avalanche99
- Achim H
- Star-Admin

- Beiträge: 13067
- Registriert: Mi, 14.11.07, 02:14
- Wohnort: Herdecke (NRW)
- Kontaktdaten:
Den Lötkolben kannst Du so erstmal beiseite legen, gelötet wird mit der Flamme.
Muttern aus Eisen kann man mit dem Kupfer nur hartlöten (>450°C).
Mal abgesehen davon würden beide Materialien ein galvanische Element erzeugen (schnelle Oxidation).
Warum hast Du dir keine Muttern aus Kupfer besorgt?
Irgendwie sehen die Teile so aus, als wären diese nicht auf einer Drehbank entstanden, sondern von Hand gefeilt worden.
Wie soll die Wärme ans Gehäuse der Lampe geleitet werden, wenn man durch die Lücken noch ein paar Ziegelsteine werfen kann?
Lange Rede, kurzer Sinn: nimm Wärmeleitkleber.
Muttern aus Eisen kann man mit dem Kupfer nur hartlöten (>450°C).
Mal abgesehen davon würden beide Materialien ein galvanische Element erzeugen (schnelle Oxidation).
Warum hast Du dir keine Muttern aus Kupfer besorgt?
Irgendwie sehen die Teile so aus, als wären diese nicht auf einer Drehbank entstanden, sondern von Hand gefeilt worden.
Wie soll die Wärme ans Gehäuse der Lampe geleitet werden, wenn man durch die Lücken noch ein paar Ziegelsteine werfen kann?
Lange Rede, kurzer Sinn: nimm Wärmeleitkleber.
-
avalanche99
- Mega-User

- Beiträge: 166
- Registriert: Di, 06.05.14, 01:23
Ja, habe mir ein paar Youtube Videos angekuckt, Löte mit dem Gasbrenner ...
Glaube nicht dass ich M3 SEchskantmuttern in meinem Eisenwarenladen bekomme, und schon gar nicht als M3.
Nein, die Platinen sind nicht auf der Drehbank entstanden, sondern mit der Stichsäge ausgeschnitten und dann gefeilt.
Ich gebe zu dass an 1-2 Stellen ein "Plattfuss" entstanden ist, aber an den meisten Stellen ist nicht mal 0,5mm Platz. Es kommt noch Wärmeleitpaste dazwischen.
Ist das nun ok so oder nicht?
Wenn das so nicht klappen kann, habe noch Kupfer übrig, muss dann nur jemand finden der mir das auf der Drehbank fertigen kann. Wie lange würde es dauern die 3 Platinen zu drehen, und was kostet sowas?
Sonst ist die Idee des Aufbau's aber ok?
MfG
avalanche99
Glaube nicht dass ich M3 SEchskantmuttern in meinem Eisenwarenladen bekomme, und schon gar nicht als M3.
Nein, die Platinen sind nicht auf der Drehbank entstanden, sondern mit der Stichsäge ausgeschnitten und dann gefeilt.
Ich gebe zu dass an 1-2 Stellen ein "Plattfuss" entstanden ist, aber an den meisten Stellen ist nicht mal 0,5mm Platz. Es kommt noch Wärmeleitpaste dazwischen.
Ist das nun ok so oder nicht?
Wenn das so nicht klappen kann, habe noch Kupfer übrig, muss dann nur jemand finden der mir das auf der Drehbank fertigen kann. Wie lange würde es dauern die 3 Platinen zu drehen, und was kostet sowas?
Sonst ist die Idee des Aufbau's aber ok?
MfG
avalanche99
