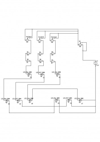
Das ist so. Wenn Du zuerst die Poti-Variante machst, dann die PWM und später ...maxpd hat geschrieben:das scheint in der Elektrotechnik Gang ung Gebe zu sein, denn das habe ich schon öfters gehört.Das kannste später immer noch machen.
Dann werde ich mich dem mal anpassen
...
kommst Du langsam aber sicher zu einem Erfahrungsschatz im Umgang und der Wirkungsweise mit Bauelementen ebenso wie mit dem Umgang mit dem Lötkolben.
Wenn nicht geht es Dir wie Shark in seinem aktuellen Trööt, dann ist die Gefahr groß, dass Du alles hinschmeißt.
Natürlich gibt es immer noch eine bessere Schaltung. Lass Dich nicht verrückt machen und bau zuerst die Poti-Variante, wenn es Dir Spaß macht, können wir uns beim nächsten Projekt steigern!


