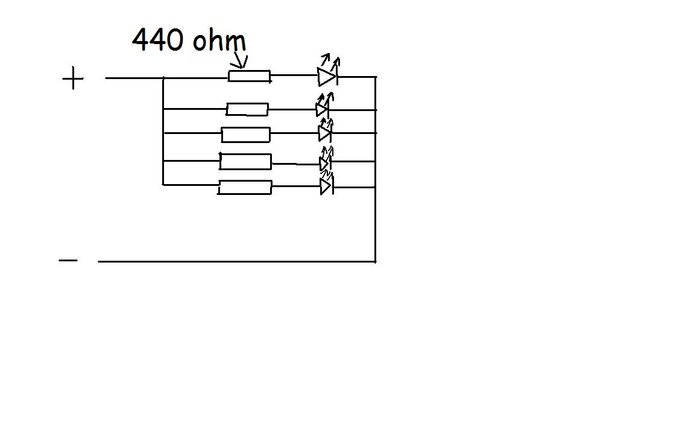
ich würde mir gerne so ein lampe bauen aus LED`s, jez is nur meine frage ob ich es richtig anschliesen würde. Ich habe da ein bild ja mitgeschickt is zwar jez ned grad schön aber es erfüllt hoffe ich mal die zwecke. Ich würde gerne so 20 - 30 LED anschliesen (hab aber nur 5 gezeichnet)
Folgende teile würde ich verwenden:
-Trafo: http://www.leds.de/LED-Zubehoer/Strom-u ... xid-6.html
- LED`s: http://www.leds.de/Standard-LEDs/LEDs-3 ... B300B.html
ich hoffe auf eure hilfe
Gruß Winni

