GU10 - Strahler -> Untersuchung

Moderator: T.Hoffmann

ustoni
Auserwählter
Auserwählter
Beiträge: 2140
Registriert: Sa, 04.06.11, 12:39
Wohnort: Mechernich

Do, 27.11.14, 14:00

Anlass war:
capslock hat geschrieben:http://www.ebay.de/itm/1x-GU10-Dimmbar- ... 3f37d5fa80
allein fehlt der Glaube mir...
ustoni hat geschrieben:Ich hab jetzt mal spaßeshalber einen Strahler bestellt. Die 2,94€ (inklusive Versand) war mir der Spaß wert.

Sollte das Teil tatsächlich Mitte bis Ende November ankommen, werde ich es mal anschließen, die Leistungsaufnahme messen und das Licht mit meinen Samsung-Strahlern vergleichen.
(Vorausgesetzt, dass es mir nicht gleich um die Ohren fliegt.)

Anschließend werde ich das Teil dann zerlegen und den Innenaufbau anschauen.
R.Kränzler: Dieser Thread wurde der Übersichtlichkeit halber in Auszügen von einem anderen übernommen und von mir redigiert, um die Arbeit von ustoni konzentriert zu zeigen.

So, nach "nur" 37 Tagen ist der Strahler tatsächlich angekommen:
Bild01 Seitenansicht.jpg
Bild02 Vorderansicht.jpg
Der hintere Teil (weiß) besteht aus 1 mm starkem relativ weichem Kunststoff, der "Kühlkörper" aus 0,5 mm starkem Blech (ja: Blech, kein Aluminium). Die Kanten des Kühlkörpers sind nicht entgratet und somit rasiermesserscharf.

Zunächst habe ich den Strahler mal in Betrieb genommen. Das Licht ist warmweiß und ohne erkennbaren Farbstich. Allerdings scheint die Farbtemperatur noch mehr ins Rote zu gehen, als meine warmweißen Samsung-Strahler. Der Strahler ist sogar überraschend hell.
30 cm über der Mitte des Strahlers habe ich 750 lux gemessen. Wenn der angegebene Öffnungswinkel von 140° stimmt, wären das dann ca. 280-300 lm, also wie erwartet weniger als die Hälfte des angegebenen Phantasiewerts.

Der Kühlkörper erreicht im Betrieb eine Temperatur von 60°C, der Kunststoff 53°C. Die Leistungsaufnahme beträgt 4,2 W.

Die Digitalkamera macht ein relativ starkes Flimmern sichtbar; mit bloßem Auge ist davon aber nichts zu sehen.

Was allerdings direkt auffällt: das "COB-Modul" scheint nur 6 LEDs zu enthalten. Ich hab mal versucht, dies mit dem Fotoapparat einzufangen:
Bild03 Ausleuchtung.jpg
Zunächst habe ich den vorderen Blechring entfernt, die 1,6 mm starke Abdeckscheibe aus Plexiglas und der weiße Innenreflektor (ebenfalls Kunststoff) fallen dann gleich mit raus.
Damit ist das COB-Modul zugänglich. Man beachte die Lötstellen:
Bild04 Front offen.jpg
Meine Befürchtung, das COB-Modul könnte geklebt sein (immerhin sind ja keine Schrauben vorhanden), hat sich nicht bewahrheitet. Schon beim Lösen der Lötanschlüsse hat sich das Modul bewegt. In der Tat ist das Modul nur mit einem dicken Klecks Wärmeleitpaste "befestigt", welche noch nicht einmal gleichmäßig verteilt wurde:
Bild05 COB Rückseite.jpg
Bild05 COB Rückseite.jpg (82.94 KiB) 33190 mal betrachtet
Wenn der Kühlkörper bei dieser "Montageart" bereits 60°C erreicht, möchte ich gar nicht wissen, mit welcher Betriebstemperatur das COB-Modul arbeitet. Bei der Angabe der Lebensdauer von 100000 Stunden hat sich der Händler wohl um mindestens eine, wahrscheinlicher sogar 2 Nullen "vertan".

Dann habe ich die Phosphorschicht weitgehend entfernt. Das COB-Modul enthält tatsächlich nur 6 LEDs:
Bild07 COB offen.jpg
Link zum COB-Modul, allerdings in der 5W-Version:
http://www.xcled.com/en/Products/COB_li ... 2/162.html

Nach Aufsägen des Sockels kommt man an die KSQ:
Bild08 Sockel offen.jpg
Ausgepackt:
Bild09 KSQ.jpg
Hier noch 2 Detailaufnahmen (Kondensator an einer Seite hochgelötet und zur Seite gebogen):
Bild10 KSQ Detail.jpg
Bild11 KSQ Q1.jpg
Und zu guter Letzt der ganze Sondermüll nochmal zusammen:
Bild12 Sondermüll.jpg
Fazit: Finger weg von diesen Strahlern!
Ich weiss schon, warum ich bei ebay normalerweise nichts kaufe. :)
capslock
Mega-User
Mega-User
Beiträge: 238
Registriert: Di, 19.10.10, 10:35

Do, 27.11.14, 18:28

Die Angaben waren natürlich quatsch. Selbst das von Dir gefundene ähnliche COB-Modul in kaltweiß und mit 70 - 85 CRI erreicht nur 500 - 550 W bei 5 W. Wo die 600 oder mehr lm her kommen soll, wird wohl nie ergründbar sein.

Immerhin ist ein richtiges Netzteil verbaut (es gibt bei Youtube Beispiele, wo ein Strahler mit GU10-Sockel ein Kondensatornetzteil hatte (ein Netzpol ist direkt zur LED durchgeführt, und dank des Sockels weiß man nicht, welcher), und der Isolierabstand zwischen PCB und Alukühlkörper belief sich auf ungefähr 100 µm.
Kannst Du trotzdem nochmal gucken, ob auf der Platine die Sicherheitsabstände zwischen Netzpotential und den Niedervoltanschlüssen durchgängig eingehalten sind?

Sieh es mal sorum: für weniger als 4 € bekommst Du eine Stromquelle, einen Sockel, einen Kühlkörper und ein COB-Modul mit halbwegs normalen Parametern :shock:
ustoni
Auserwählter
Auserwählter
Beiträge: 2140
Registriert: Sa, 04.06.11, 12:39
Wohnort: Mechernich

Do, 27.11.14, 19:05

Ich besitze ein Multimeter und ein Luxmeter, beides Handheld, dazu noch ein einfaches Leistungsmessgerät.

Netzspannung (gemessen) ist 235 V AC
Leistungsaufnahme (Wirkleistung): 4,2 W
Lichtstrom (abgeleitet aus lux-Messung): ca. 280-300 lm
Effizienz: ca. 70 lm/W

@ capslock:
Hier noch ein Foto der Platinenunterseite:
Platine.jpg
Die Platine hat die Abmessungen 24 x 17 mm, der eingefräste Schlitz links hat eine Breite von 1,6 mm. Primäranschlüsse sind rechts im Bild.
Sieht soweit gut aus, verlassen würde ich mich darauf aber nicht.

Hinzu kommt: das Teil war in einem weißen Pappkarton verpackt, ohne jeglichen Aufdruck. Auch auf dem Strahler selbst findet man keinerlei Aufdruck. Deshalb gehe ich mal davon aus, dass diese Strahler noch nie eine Prüfstelle gesehen haben und sowohl Betrieb als auch Verkauf innerhalb Europas nicht zulässig sind.

Ich selbst würde so ein Teil niemals in einer Leuchte verwenden. Das Gleiche gilt für die Einzelteile. Dementsprechend ist auch alles schon entsorgt.
Für die 2,94€ hatte ich kurz meinen Spaß, das wars dann aber auch schon.
capslock
Mega-User
Mega-User
Beiträge: 238
Registriert: Di, 19.10.10, 10:35

Do, 27.11.14, 20:12

Wenn der Trafo gut gewickelt ist, kann da überschlagsmäßig nichts passieren.

Wie bekommt denn der weiße LED-Anschluß seinen Strom? Ist die Platine etwa doppelseitig und durchkontaktiert?

Ist sekundärseitig noch irgendwo ein Kondensator oder darf der Trafo munter senden?
ustoni
Auserwählter
Auserwählter
Beiträge: 2140
Registriert: Sa, 04.06.11, 12:39
Wohnort: Mechernich

Do, 27.11.14, 20:36

Hab den Trafo mal runtergerupft und nochmal ein Foto von der Bestückungsseite gemacht:
Platine oben.jpg
Ist die Platine etwa doppelseitig und durchkontaktiert?
Ja.
Ist sekundärseitig noch irgendwo ein Kondensator oder darf der Trafo munter senden?
C6 liegt parallel zum Trafo.
ustoni
Auserwählter
Auserwählter
Beiträge: 2140
Registriert: Sa, 04.06.11, 12:39
Wohnort: Mechernich

Fr, 28.11.14, 08:25

Inzwischen liegen auch die Preise für Markenware nicht mehr so hoch, dass man auf Chinamüll ausweichen müsste. Beispiel:
http://www.leds.de/LED-Lampen-Leuchtmit ... -oxid.html
5,90€ sind nun wirklich nicht mehr die Welt. Dafür kann man sich dann darauf verlassen, dass die elektrische Sicherheit gegeben ist und die angegebenen Daten auch stimmen.

Noch vor 2 Jahren hätte man für einen vergleichbaren Strahler über 20€ bezahlt. Da hätte ich noch bedingt Verständnis gehabt, wenn sich jemand bei ebay umschaut. Das ist aber heute nicht mehr der Fall. Es macht einfach keinen Sinn mehr, Chinamüll zu kaufen, das ist einfach nur noch verantwortungslos.

Generell: wenn bei einem ebay Angebot als Standort des Händlers China oder Hong Kong angegeben ist: sicherheitshalber Finger weg! (Wenn nicht, besser auch da die Finger weg :lol: )

Anmerkung R.Kränzler: Die Rede ist hier von China-Müll, nicht alles aus China ist solcher Müll, was man bei der Untersuchung des Philips-Spots sehen wir (auch der wurde in China produziert).
capslock
Mega-User
Mega-User
Beiträge: 238
Registriert: Di, 19.10.10, 10:35

Fr, 28.11.14, 10:50

Ansonsten steht und fällt es halt mit der Qualität der verbauten Komponenten. Wie lange hält der Elko, hat der Widerstand (sofern vorhanden) wirklich Sicherungswirkung, ist das Platikgehäuse schwerentflammbar, ist der Trafo auch wirklich überschlagsfest gewickelt? Wenn es wirklich zu einem Unfall kommt, ist die Versicherung fein raus, weil man ja mutwillig ein Teil ohne Kennzeichnung verwendet hat, einen Importeur zum Drankriegen gibt es nicht und der Verkäufer sitzt sicher in seiner Garage in Hongkong.

Wer sich mal so richtig gruseln will:
https://www.youtube.com/watch?v=keaE7QTKTYE
ustoni
Auserwählter
Auserwählter
Beiträge: 2140
Registriert: Sa, 04.06.11, 12:39
Wohnort: Mechernich

Fr, 28.11.14, 12:11

@ capslock:

Zunächst mal: schönes Video. Ein Grund mehr gegen ebay.
ist das Platikgehäuse schwerentflammbar
Guter Einwand, auf die Idee bin ich gar nicht gekommen. :oops:
Habs mal ausprobiert: mit einer Feuerzeugflamme lässt sich das Material innerhalb weniger Sekunden entzünden und brennt dann einige Zeit unter starker Rußentwicklung weiter.
Benutzeravatar
R.Kränzler
Moderator
Beiträge: 1700
Registriert: Mo, 26.11.07, 08:49
Wohnort: Haigerloch

Fr, 28.11.14, 17:23

Ich denke hier wurde mal augenscheinlich dargelegt wie gefährlich es sein kann wenn man solche "Billigware" kauft, abgesehen davon, dass dieses wenige Geld, das man ausgibt, umsonst ausgegeben wir (oder eben nur zum Wohl des Händlers) und somit diese Billigware alles andere als preisgünstig ist.
ustoni
Auserwählter
Auserwählter
Beiträge: 2140
Registriert: Sa, 04.06.11, 12:39
Wohnort: Mechernich

Mi, 03.12.14, 12:38

Hallo zusammen!

Zunächst mal Sorry, mir ist da wohl einfach die Hutschnur geplatzt. Hab dann überreagiert, was nicht hätte vorkommen sollen. R. Kränzlers Rat, solche Beiträge in Zukunft zu ignorieren hört sich sehr gut an.

Aber zurück zum Thema:
Gestern habe ich von Lumitronix ein Päckchen mit einem GU10-Strahler Philips Core Pro 4,5W zur weiteren Untersuchung erhalten:
http://www.leds.de/LED-Lampen-Leuchtmit ... -oxid.html
Außerdem im Päckchen als Aufmerksamkeit eine LED Lenser P7.2 :D. Dankeschön !!! Dazu kann aber O.Mueller sicherlich mehr sagen.

Beim Untersuchen und Zerlegen des Strahlers hab ich einige Überraschungen erlebt. Hier zunächst 2 Fotos:
Bild01 Strahler seitlich.jpg
Bild02 Strahler Front.jpg
Vom Foto auf der Produktseite hätte ich als Gehäusematerial Keramik erwartet. Tatsächlich ist das Gehäuse komplett aus Kunststoff.
Also zunächst ans Netz angeschlossen und gemessen. Der Strahler liefert ein angenehmes, helles Licht ohne erkennbaren Farbstich. Als Leistungsaufnahme habe ich 4,7 W gemessen.
Die Beleuchtungsstärke mittig im Lichtkegel bei 30 cm Abstand beträgt 12000 lux. Bezogen auf den Abstrahlwinkel von 36° kommt man damit auf einen Lichtstrom von ca. 340 lm.

Und das ist dann auch der erste Punkt, der negativ auffällt:
Auf der Verpackung und auch auf dem Strahler ist ein Wert von 345 lm aufgedruckt. Laut Datenblatt von Philips sollten es aber 380 lm sein. Ich darf hier mal aus einem von Achims Post in diesem Thread zitieren:
Bei Philips verhält es sich so, wenn die gleichen Leds wie zuvor nicht zu bekommen sind, werden andere Leds eingebaut. Da kann es passieren, dass nach 3 Fertigungen auch 3 verschiedene Leds verwendet und auch 3 Datenblätter erstellt wurden, aber alle mit der gleichen Artikelnummer ausgeliefert werden.
Was hiermit bewiesen wäre. :lol: Lumitronix sollte hier die Angaben auf der Produktseite an die tatsächlich vorhandene Ware anpassen.

Im Dauerbetrieb erreicht das Gehäuse 75°C (Umgebungstemperatur: 24°C). Allerdings kühlt das Gehäuse nach dem Ausschalten sehr schnell ab, was auf eine gute Wärmeableitung schließen lässt.

Die Frontscheibe mit den Reflektoren ist im Gehäuse eingerastet und lässt sich mit ein wenig Gewalt und einem kleinen Flachschraubendreher entfernen:
Bild03 Frontscheibe ab.jpg
Hier wird dann eine Platine mit 6 SMD-LEDs ähnlich der 757er-Serie von Nichia sichtbar, die mit drei Schrauben befestigt ist. Die Platine nochmals etwas detaillierter:
Bild04 Platine Detail.jpg
Die sichbaren Lötstellen sind einwandfrei.

Dann habe ich versucht, die beiden Anschlusskabel mit meiner Weller-Lötstation abzulöten. Das ist mir nicht gelungen. Offensichtlich funktioniert die Wärmeableitung so gut, dass die 40 W meiner Lötstation nicht ausreichen. Also musste der Seitenschneider her. Nach Entfernen der Platine und Abwischen der sehr dünnen und gleichmäßigen Schicht Wärmeleitpaste sieht der leere Strahler dann so aus:
Bild05 Platine ausgebaut.jpg
Die Wärme wird über das Aluteil direkt an das Gehäuse gekoppelt. Anscheinend trägt das Gehäuse wesentlich zur Wärmeableitung bei. Meine Vermutung: es könnte sich um eine Kunststoff-Keramik-Mischung handeln.

Um an das Netzteil zu kommen, musste ich den hinteren Teil des Gehäuses aufsägen. Hier dann die nächste Überraschung: zum Vorschein kommt ein Kondensatornetzteil.
Bild06 Netzteil top.jpg
Bild07 Netzteil Seite.jpg
Bild08 Netzteil bottom.jpg
(Die Einschnitte in der Mitte der Platine stammen vom Aufsägen.)

Für ein Kondensatornetzteil ist der im Datenblatt angegebene Powerfactor von 0,4 allerdings recht gut.

Ich habe dann versucht, die Vorwärtsspannung der einzelnen LEDs zu ermitteln. Erst als ich 4 9V-Batterien in Reihe geschaltet hatte, habe ich die LED leicht zum Glimmen gebracht. Die Vorwärtsspannung dürfte im Betrieb also zwischen 38 und 40 V liegen. Auf der Platine sind je 3 LEDs in Reihe mit einem 100 Ohm-Vorwiderstand geschaltet. Die Betriebsspannung der LED-Platine dürfte damit um die 120 V liegen.

Bei einer LED habe ich dann die Phosphorschicht mit einem Skalpell soweit entfernt, dass man die Struktur der LED erkennen kann:
Bild09 LED.jpg
Die LED enthält 2 Chips, die jeder für sich anscheinend aus je 6 LEDs besteht. Es sind wohl 12 Einzel-LEDs in Reihe geschaltet. (Die Bondingdrähte sind nach dieser brutalen Behandlung natürlich nicht mehr vorhanden.)

Durch die hohe Betriebsspannung der LED-Platine werden die Nachteile eines Kondensatornetzteils zumindest zum Teil wieder wettgemacht. Trotzdem muss man bei diesen Strahlern mit einer Blindleistung von ca. 6,7 W leben. Bei normaler Anwendung im Wohnbereich sollte das aber nicht stören.

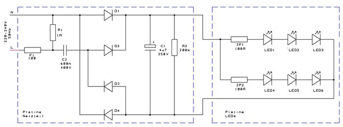
Hier noch der komplette Schaltplan:
Bild 10 Schaltplan.jpg
Abschließend habe ich dann noch versucht, die Plastikteile des Gehäuses mit einem Flammbierbrenner zu entzünden. In der Flamme des Brenners brennt auch der Kunststoff; entfernt man die Flamme des Brenners, verlöscht der Kunststoff aber sofort. Für sich allein ist das Material also nicht brennbar.

Fazit:
Die Verarbeitung des Strahlers ist sehr gut, das technische Konzept aber etwas ungewöhnlich.
Der Strahler ist durchaus empfehlenswert, ich persönlich würde dann aber doch eher zu Toshiba tendieren:
http://www.leds.de/LED-Lampen-Leuchtmit ... mmbar.html

Hier ist der Powerfactor mit >0,7 angegeben und damit die Blindleistung erheblich geringer.
capslock
Mega-User
Mega-User
Beiträge: 238
Registriert: Di, 19.10.10, 10:35

Mi, 03.12.14, 14:40

Interessant, 5 Sterne!

Kondensatornetzteile haben eigentlich einen sehr guten Wirkungsgrad, solange man keine Zenerdiode braucht, um die Versorgungsspannung für irgendeine Elektronik zu stabilisieren. Nachteilig ist nur, daß Schwankungen der Netzspannung auch nur je nach Steifigkeit der Z-Diode ausgeregelt werden (und hier sind die LEDs ihre eigene Z-Diode...). Ich habe einige Philips-Kerzen von vor zwei Jahren (aus der berühmten 4 W / 330 lm -Serie), da ist vermutlich auch sowas drin, denn die bekommen manchmal wahre Flackerorgien, wenn das Netz voller Oberwellen ist.

Nicht so gut gefällt mir die elektrische Sicherheit. Einer der Pole des zu den LEDs liegt ja nur von einer Diode getrennt auf Netzpotential, und dank GU10-Sockel weiß man nicht, ob das N oder L ist. Eine eingeklickte Plexiglasscheibe, die vermutlich unter ungünstigen Umständen (Stoß, Fall) sich lösen kann, ist für mich kein doppelter Berührungsschutz. Wenn die Scheibe rausfällt, kann man direkt die an der Platine anliegende Netzspannung berühren.
ustoni
Auserwählter
Auserwählter
Beiträge: 2140
Registriert: Sa, 04.06.11, 12:39
Wohnort: Mechernich

Mi, 03.12.14, 14:47

Da kann ich Dich beruhigen. Bei "ein wenig Gewalt" liegt die Betonung eher auf "Gewalt". Wenn ich bei der Aktion nicht entsprechend vorsichtig vorgegangen wäre und mit dem Schraubendreher abgerutscht wäre, hätte ich mir wohl den nächstgelegenen Knochen verletzt. :)
Bei einem normalen Sturz aus 1 bis 2 m Höhe kann in der Beziehung nichts passieren. Die Scheibe sitzt bombenfest. Ist eben nur nicht geklebt, dann wäre es für mich schwieriger geworden (Säge o.ä.).
Benutzeravatar
ben_c
Ultra-User
Ultra-User
Beiträge: 746
Registriert: Mo, 29.08.11, 19:07
Wohnort: Hechingen-Stein

Mi, 03.12.14, 16:20

Super Bericht, immer wieder spannend :)

Das mit der Helligkeit liegt am Philips Datenblatt und nicht an unterschiedlichen Chargen die besser oder schlechter sind, dieser Wert ist auf den ersten Blick missverständlich.
Auf der Packung selber stehen "nur" noch 345lm. Ich glaube diese Differenzierung macht bisher auch nur Philips.
Wird im Shop bestimmt asap korrigiert.
Unbenannt.png
Unbenannt.png (30.82 KiB) 32904 mal betrachtet
Borax
Star-Admin
Star-Admin
Beiträge: 12243
Registriert: Mo, 10.09.07, 16:28

Mi, 03.12.14, 19:25

Kondensatornetzteile haben eigentlich einen sehr guten Wirkungsgrad
Naja... Rein theoretisch zwar schon, praktisch aber eher weniger. Entweder man akzeptiert den stark schwankenden Lichtstrom (wie Du auch schon sagtest), oder man muss mit zusätzlichen Maßnahmen dafür sorgen, dass es nicht so schlimm ist/wird. Das reduziert den Wirkungsgrad aber ziemlich. Ich hab bei einem Projekt auch erst ein Kondensatornetzteil geplant, bin aber schnell wieder davon abgekommen. Die erlaubten +/-10% Spannungstoleranz bei der Netzspannung sorgen ja schon dafür, dass man mind. 10% Spannung vernichten muss, um auf der sicheren Seite zu bleiben (wenn man einen konstanten Lichtstrom haben will eher 20%). Ok, bei so kleinen Spots macht das aus Kostengründen durchaus Sinn, bei größeren Sachen ist ein gutes Schaltnetzteil aber die bessere und meist auch effizientere Lösung.
ustoni
Auserwählter
Auserwählter
Beiträge: 2140
Registriert: Sa, 04.06.11, 12:39
Wohnort: Mechernich

Fr, 05.12.14, 00:23

Ich hab nochmal einen auf die Schnelle:
Beim letzten Einkauf im REWE hab ich einen (nicht essbaren) GU10-Strahler für 3,60€ entdeckt und mal mitgenommen:
Bild01 Umverpackung.jpg
Abstrahlwinkel und Herstellungsort sind nicht angegeben. Aus dem übernächsten Foto sowie dem Probebetrieb würde ich von 120° ausgehen.
Ausgepackt sieht er so aus:
Bild02 Strahler seitlich.jpg
Bild03 Strahler Front.jpg
Das Gehäuse ist tatsächlich massives Glas und entspricht exakt dem Gehäuse eines GU10-Halogenstrahlers.
Die Leistungsangabe passt (gemessen 1,49 W), die Betriebstemperatur liegt bei 38°C (klar, bei der Leistung).

Das "Zerlegen" ging diesmal recht einfach mit einem Hammer. :lol:
Das Netzteil ist auch hier ein Kondensatornetzteil ähnlich wie beim Philips-Strahler:
Bild04 Netzteil top.jpg
Bild05 Netzteil bottom.jpg
Die 15 LEDs (gemessene Vorwärtsspannung: knapp unter 3 V) sind in Reihe geschaltet.
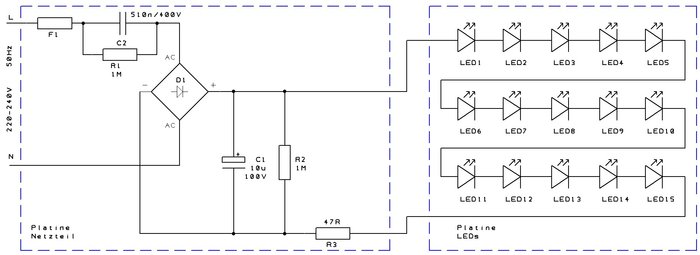
Die Schaltung:
Bild06 Schaltplan.jpg
Die Versorgungsspannung der LED-Platine liegt folglich bei ca. 45 V, der LED-Strom berechnet sich zu 33 mA. Durch diese relativ niedrige Betriebsspannung ergibt sich eine Blindleistung von ca. 7,5 W und damit ein Leistungsfaktor von etwas unter 0,2. Dies alleine wäre für mich schon ein Grund, diesen Strahler nicht in Betrieb zu nehmen.

Die LED-Platine ist aus normalem FR4-Material, als Kühlflächen für die LEDs dienen die Leiterbahnen. Durch die Rückseite der Platine ist das Layout erkennbar:
Bild07 Layout.jpg
Fazit:
Die Verarbeitung des Strahlers ist einwandfrei. Eine Empfehlung würde ich hier trotzdem nicht geben. Neben der hohen Blindleistung reicht ein Lichtstrom von 130 lm bei einem Abstrahlwinkel von 120° gerade mal als besseres Nachtlicht.
Man sollte beim REWE doch besser bei Lebensmitteln bleiben. :D

Ich finde es aber schon interessant, was so alles hergestellt und offensichtlich erfolgreich verkauft wird.
Benutzeravatar
ben_c
Ultra-User
Ultra-User
Beiträge: 746
Registriert: Mo, 29.08.11, 19:07
Wohnort: Hechingen-Stein

Fr, 05.12.14, 08:37

Immerhin sind so langsam die Strahler mit 5mm LEDs verschwunden :mrgreen: Es dauert halt immer ein Weilchen bis ein Bewusstsein dafür geschaffen ist, in dieser Zeit werden fleißig solche Produkte verkauft.
capslock
Mega-User
Mega-User
Beiträge: 238
Registriert: Di, 19.10.10, 10:35

Fr, 05.12.14, 10:12

F1 ist wahrscheinlich ein Widerstand mit 47 bis 100 Ohm, mit etwas Glück sogar einer mit Sicherungswirkung.
Loong

Fr, 05.12.14, 10:31

Komisch,
ustoni hat geschrieben:Eine Empfehlung würde ich hier trotzdem nicht geben. Neben der hohen Blindleistung…
Die Philips-Lampe besitzt eine noch höhere Blindleistung, die hast du aber nicht abgewertet ("Der Strahler ist durchaus empfehlenswert, …).
capslock
Mega-User
Mega-User
Beiträge: 238
Registriert: Di, 19.10.10, 10:35

Fr, 05.12.14, 10:54

An der Philips-Lampe hat er 6,7 W Blindleistung gemessen, hier 7,5 W. Die Philips-Lampe gibt außerdem auch noch wesentlich mehr Licht ab. Die Philips-Lampe ist also in absoluten Zahlen etwas und pro lm deutlich besser.

Meines Wissens ist das Netz aber immer noch überwiegend induktiv belastet (Synchronmotoren, Trafos und magnetische Vorschaltgeräte), daher ist etwas kapazitive Last vielleicht sogar ganz willkommen.
Loong

Fr, 05.12.14, 11:07

capslock hat geschrieben:An der Philips-Lampe hat er 6,7 W Blindleistung gemessen, hier 7,5 W.
Danke, habe ich überlesen.
Meines Wissens ist das Netz aber immer noch überwiegend induktiv belastet (Synchronmotoren, Trafos und magnetische Vorschaltgeräte), daher ist etwas kapazitive Last vielleicht sogar ganz willkommen.
Nein, eher ist das Gegenteil der Fall. Seit der Abkehr von Freileitungen, die selbst induktiv wirken, und der fast ausschließlichen Verwendung von (kapazitiven) Erdkabeln sind die EVUs über ein bißchen induktive Blindlast von Privat(!)-Haushalten nicht unglücklich.

Wobei ich mir über Blindleistungen im niedrigen ein- oder zweistelligen Wattbereich weder Gedanken machen, noch sie als Bewertungskriterium heranziehen würde.
Benutzeravatar
ben_c
Ultra-User
Ultra-User
Beiträge: 746
Registriert: Mo, 29.08.11, 19:07
Wohnort: Hechingen-Stein

Fr, 05.12.14, 12:17

Hier noch ein Tube Innenleben :idea:

viewtopic.php?f=37&t=19805
Loong

Mo, 08.12.14, 15:45

capslock hat geschrieben:An der Philips-Lampe hat er 6,7 W Blindleistung gemessen, hier 7,5 W.
Dann hat er sich vermessen. Die Lampe ist von Phlips mit einer Stromaufnahme von 45 mA angegeben, das macht an 230 Volt eine Scheinleistung von 10,35 VA. Ustoni hat ein Wirkleistung von 4,7 Watt gemessen, daraus errechnet sich eine Blindleistung von SQRT(10,35² - 4,7²) = 9,22 Var.

An ustonis Messung kann also etwas nicht richtig sein. Ich werde mir mal selber so 'ne Lampe zum Nachmessen besorgen.
Loong

Mo, 08.12.14, 16:26

Borax hat geschrieben:
Kondensatornetzteile haben eigentlich einen sehr guten Wirkungsgrad
Entweder man akzeptiert den stark schwankenden Lichtstrom…
Bei nur drei LEDs in Reihe bewirkt das Kondensatornetzteil eine sehr gute Stromeinprägung und damit eine Unabhängigkeit von den Schwankungen der Netzspannung.

Bei Röhrenfernsehern hat man früher die 300-mA-Röhrenheizung über einen Kondensator direkt aus der Netzspannung erzeugt.
ustoni
Auserwählter
Auserwählter
Beiträge: 2140
Registriert: Sa, 04.06.11, 12:39
Wohnort: Mechernich

Mo, 08.12.14, 16:39

Dann hat er sich vermessen.
Hab ich nicht, nur böse verrechnet. :oops: Du hast vollkommen recht mit Deiner Rechnung. Messen kann ich nur Wirkleistung. Ich hatte den Leistungsfaktor falsch interpretiert und dummerweise bei dem Philips-Strahler für die Blindleistung (falsch) herangezogen.

Danke für den Hinweis, den Fehler hätte ich in Zukunft sonst auch weiterhin gemacht.

Richtig ist also:
Philips: Wirkleistung: 4,7 W, Scheinleistung: 10,35 VA, Blindleistung: 9,22 Var, Leistungsfaktor: 0,45
REWE: Wirkleistung: 1,5 W, Scheinleistung: 7,59 VA, Blindleistung: 7,44 Var, Leistungsfaktor: 0,2

Nochmals Danke für die Korrektur! In zukünftigen Beiträgen wird die Berechnung stimmen. :wink:
Loong

Di, 09.12.14, 11:38

Sodele…
Loong hat geschrieben:Ich werde mir mal selber so 'ne Lampe zum Nachmessen besorgen.
Hier ist sie:
Bild

Nach Erreichen des thermischen Gleichgewichts entnimmt sie dem Netz eine Scheinleistung von 9,88 VA:
Bild

Davon entfallen 4,60 W auf die Wirkleistung:
Bild

Und 8,74 Var auf die Blindleistung:
Bild

Kontrolle, ob die Messung konsistent ist: SQRT(4,60² + 8,74²) = 9,88 VA. Passt!

Die Lampe zieht einen Strom von 42,5 mA:
Bild

Zum Zeitpunkt der Messung betrug die Netzspannung hier 232 Volt, das ergibt eine rechnerische Scheinleistung von 9,86 VA, was im Rahmen der Meßgenauigkeit gut mit den gemessenen 9,88 VA zusammenpasst.
Antworten