Hallo zusammen
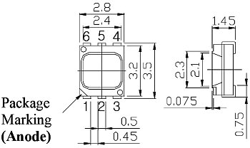
Ich habe LED's gekauft dachte aber nicht, dass die so klein sind, siehe Bild, wie soll ich das anschliessen?
Weiss jemand ein par gute RGB LED die ansteuerbar sind wie diese.
Grüessli
Wie anschliessen
Moderator: T.Hoffmann
ich versteh deine frage nicht so ganz. weißt du nicht wie du die anschließen sollst weil die kontakte zu kelin sind und du nichts anlöten kannst oder weißt du nicht was du wo anloten sollst.
wenn die kontakte zu klein sind kannst du dir ne smd lötspitze kaufen und dünne ltize verwenden. wenn du nicht wei0 was wo angelötet werden muss poste ein bild dann können wir die höffentlich sgaen was wohin muss.
als rgb led kann ich dir die rgb superflux aus dem shop empfehlen die sind sehr gut
wenn die kontakte zu klein sind kannst du dir ne smd lötspitze kaufen und dünne ltize verwenden. wenn du nicht wei0 was wo angelötet werden muss poste ein bild dann können wir die höffentlich sgaen was wohin muss.
als rgb led kann ich dir die rgb superflux aus dem shop empfehlen die sind sehr gut
Vilen Dank, weiss schon wie anschlissen
aber nicht weils so kleine ist, gibts da keine sockel oder so dazu?
die sind von Seoul, habe diese gewählt, da sie einen grossen Abstarahlwinkel haben.
oder weiss jemand andere gut preiswerte mit grossem abstrahlwinkel.
Daraus gibt es eine LED Matrix hinter einer milchigen plexiglas abdeckung.
Hersteller: Seoul
Typ: HBMGFRT825
Farbe: RGB
UF 2.25 – 3.3 V
IF 3 x 30 mA
Abstrahwinkel 120°
Lichtstärke Iv 290 – 880 mcd
Temperaturbereich -30 + 85°C
aber nicht weils so kleine ist, gibts da keine sockel oder so dazu?
die sind von Seoul, habe diese gewählt, da sie einen grossen Abstarahlwinkel haben.
oder weiss jemand andere gut preiswerte mit grossem abstrahlwinkel.
Daraus gibt es eine LED Matrix hinter einer milchigen plexiglas abdeckung.
Hersteller: Seoul
Typ: HBMGFRT825
Farbe: RGB
UF 2.25 – 3.3 V
IF 3 x 30 mA
Abstrahwinkel 120°
Lichtstärke Iv 290 – 880 mcd
Temperaturbereich -30 + 85°C

