Hilfe bei meinem Projekt ( 5 LEDs )

Hier werden Fragen zu LED-Grundlagen beantwortet...

Moderator: T.Hoffmann

Farosi
Mini-User
Beiträge: 9
Registriert: Mi, 05.08.09, 17:46

Mi, 05.08.09, 17:59

Ich grüße euch,

ich hab mich hier vor kurzen Angemeldet weil ich keine Rat weiß.

Ich habe vor 5 LEDs zum leuchten zu bringen hab mir daher leds gekauft erstmal rote, doch ich hab vor mir weiße zu kaufen.

Ich muss dazu sagen ich hab keine Ahnung wie man sowas bastellt...

Hab mir ne duracell 9V gekauft um jeweils 5 LEDs zu versorgen und wiederstände ( 120 Ohm )

Da sie alle gleich stark leuchten sollen hab ich vor sie als Paralellschaltung aufzubauen.

Vorweg die roten die ich mir kaufte sind nicht extra hell was mich eigentlich total ärgert -.- warum auch immer :(

Da ich mir wie gesagt weiße kaufen möchte hab ich eine frage gibts die als Extrahell bei Conrad?

Kabel und Kabeladapter zur batterie habe ich schon :)

Dazu muss gesagt seini ch wollte sie durch einfaches abtecken des Batterieadapters aus machen da ich keine Ahnung habe wie man einen Schalter dran baut bzw wo es kleine kippschalter gibt da ich nur große mit gewinde für gehäuse gefunden habe

Ein Schaltplan wäre super nett, da ich echt ein noob darin bin

Könnt ihr mir bitte helfen???

Danke im vorraus :)

Euer Farosi
Benutzeravatar
Beatbuzzer
Auserwählter
Auserwählter
Beiträge: 3177
Registriert: Fr, 17.08.07, 11:02
Wohnort: Alfeld / Niedersachsen
Kontaktdaten:

Mi, 05.08.09, 18:09

Herzlich Willkommen!
Gute und noch dazu günstige LEDs bekommst du in erster Linie mal hier. http://www.LEDs.de
Bei Conrad musst du mal gucken, kann gut sein :wink:

Aber was du da auf jeden Fall bekommst, sind Schalter in allen Variationen.

Einen Plan zu weissen LEDs kann ich machen. Da gehen immer zwei in Reihe plus Widerstand.
ALso entweder 4 oder 6, wenns 5 sein sollen, musst du noch eine einzeln anhängen.

Lieber als Schaltplan mit Schaltzeichen oder mit echten Bildern von LEDs? :)
Farosi
Mini-User
Beiträge: 9
Registriert: Mi, 05.08.09, 17:46

Mi, 05.08.09, 18:17

ich grüße dich,

erstmal sry wegen den rechtschreibfehlern hab das einfach runtergerattert :)

Wau so ein entgegenkommen hab ich nicht erwartet *großes Lob*

Also mir wäre beides recht wenns dir keine umstände macht :)

Kannst du mir das ganze näher bringen ich hab keine ahnung wie ich anfangen soll.

Da ich keinen Lötkolben hab, muss ich auf was anderes zurückgreifen geht da schrumpfschlauch oder ähnliches?

Also mir wäre nen kleiner minischalter recht meistens viereckiger rand mit viereck kippschalter falls du jetzt eher weißt was ich meine ^^

Bin etwas überforder damit ^^
Benutzeravatar
Beatbuzzer
Auserwählter
Auserwählter
Beiträge: 3177
Registriert: Fr, 17.08.07, 11:02
Wohnort: Alfeld / Niedersachsen
Kontaktdaten:

Mi, 05.08.09, 18:38

Meinst du so einen?
Ein Lötkolben wäre hier echt von Vorteil. Zumal man ihn allgemein ständig braucht, wenn man die Bastelei erst einmal angefangen hat :wink:

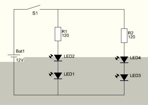
Hier erstmal ein Schaltplan. Eigentlich ganz einfach. Von plus durch den Schalter zu den Widerständen, durch die LEDs zu minus.
1.JPG
1.JPG (17.77 KiB) 16699 mal betrachtet
EDIT: Fehler im Plan. An die Batterie gehört "9V" und nicht "12V". Hab ich vergessen zu ändern.
Zuletzt geändert von Beatbuzzer am Mi, 05.08.09, 19:18, insgesamt 1-mal geändert.
Benutzeravatar
CRI 93+ / Ra 93+
Auserwählter
Auserwählter
Beiträge: 2801
Registriert: So, 19.10.08, 23:56
Wohnort: Hannover

Mi, 05.08.09, 19:16

Wenn es wirklich nicht mit einem Netzteil geht, empfehle ich 3 eneloop-Akkus in Reihe statt teuerer und fast nichts leistender 9V-Batterien oder gar 9V-Akkus.
Das hat man dann nominal 3,6 Volt, ausreichend für fast jede weiße LED (wenn nicht, dann eben 4 Zellen in Reihe schalten), nur die ersten ca. 20% Entladezeit ist die Spannung darüber und nur sehr wenig deutlich darüber (1,55V direkt nach dem Laden aber nur noch ca. 1,4V nach einigen Tagen herumliegen)
eneloop-Akkus halten ihre Spannung wesentlich länger auf ca. 1,22 bis 1,25V als andere Akkus und haben nur ca. 10% Selbstentladung pro JAHR (plus 10% im ersten Monat nach dem Aufladen)
Die LEDs müssten dann alle ihren eigenen Vorwiderstand bekommen.

Akkus immer nur nur mit ausreichend guten Ladegeräten laden! Das bedeutet z.B. mindestens: Einzelzellenladung + Ladeschlusserkennung.
Tipps: NiMH-Ladegerät, Akkus, Ladeverfahren,Akku auffrischen / Welches Ladegerät sollte man kaufen?
Farosi
Mini-User
Beiträge: 9
Registriert: Mi, 05.08.09, 17:46

Mi, 05.08.09, 19:38

oje oje freunde ich hoffe ich versteh das bin aus ner anderen Branche :D

deshalb ein echtes bild damit ich mir das auch vorstellen kann unterstützend durch den schaltplan :)

Wie die fünfte LED dazugehängt wird musst du mir auch noch erklären :)

danke schon mal für deine bereits geschriebene hilfestellungen und die die noch kommen ^^

heißt das ich verbrauche mehr 9v batterien als mit den eneloop?

genau so einen schalter brauch ich, ich sehe er hat vier kontakte wie verbinde ich die?
Benutzeravatar
Beatbuzzer
Auserwählter
Auserwählter
Beiträge: 3177
Registriert: Fr, 17.08.07, 11:02
Wohnort: Alfeld / Niedersachsen
Kontaktdaten:

Mi, 05.08.09, 20:09

CRI 93+ / Ra 93+ möchte sagen, dass wenn du die LEDs irgendwo länger einsetzen willst, ist es mit 9V Blocks nicht rentabel, da teuer und sie halten nicht lange. Ausserdem nicht wiederaufladbar. Und die die wiederaufladbar sind, halten noch weniger.

Eneloop ist ein Akkutyp. Davon gibt es Akkus in Größe Micro (die ganz kleinen runden) und Größe Mignon (bekannt als die normalen).
Diese Akkus sind offensichtlich für den Durchschnitsbedarf im Haushalt das beste was es zur Zeit gibt.

Der Schalter hat nur zwei Kontakte. Sind 6,3mm breite Flachsteckanschlüsse. Aber nur zwei Stück davon.
Farosi
Mini-User
Beiträge: 9
Registriert: Mi, 05.08.09, 17:46

Mi, 05.08.09, 20:12

ich schätze deine untersützung wirklich :))))

wie sehen genau diese energielieferranten den aus? :)))

ich hoffe du kannst mir das bildlich nochmal näher bringen wie ich es löten muss :)))

wie genau muss ich die wiederstände dran löten?? :)
Benutzeravatar
Beatbuzzer
Auserwählter
Auserwählter
Beiträge: 3177
Registriert: Fr, 17.08.07, 11:02
Wohnort: Alfeld / Niedersachsen
Kontaktdaten:

Mi, 05.08.09, 20:22

Bevor wir uns an die Verlötung usw. machen, sollte erstmal geklärt werden, was für Akkus oder Batterien du verwenden möchtest.
Denn davon hängt auch ab, wie das ganze verschaltet werden muss.
Hier mal der Link zur Eneloop Informationsseite
Auf der Seite ist zu sehen und zu lesen, was an Eneloop besonders ist, und was sie können und auch wie sie aussehen.
Farosi
Mini-User
Beiträge: 9
Registriert: Mi, 05.08.09, 17:46

Mi, 05.08.09, 20:39

ich denke ich werd erstmal meine 9v batterien benutzen danacxh auf die eneloop umsteigen :)
Benutzeravatar
CRI 93+ / Ra 93+
Auserwählter
Auserwählter
Beiträge: 2801
Registriert: So, 19.10.08, 23:56
Wohnort: Hannover

Mi, 05.08.09, 21:46

Wenn Du das ganze für 9V passend verschaltest, geht es zumindest mit 3 Zallen eneloop nicht mehr, da müsstest Du dann 6-7 Zellen nehmen oder alles umlöten. Da die meisten üblichen Ladegeräte nur 4 Schächte haben, kann man die mit so einem Ladegerät aber nicht mehr alle gleichzeitig Laden.

Die Frage ist auch: wie viele LEDs? Wie hoch soll der LED-Strom sein? Wie lange und wie oft soll das ganze eingeschaltet sein?

Ein 9V-Akkus hat meist ca. 200 mAh, meist sehr schnell auf 150 bis 100 mAh abnehmend. Die Zellen darin sind sehr klein und lassen sich nicht wirklich schnell laden und sind sehr empfindlich gegen Überladung und zu hohen Lade- und Laststrom. 9V-Einwegbatterien halten zwar länger, dafür aber nur 1x und sind entweder sehr sehr teuer oder alternativ billig, aber taugen dann nicht die Bohne.
9V-Akkus kann man nur sehr langsam laden, i.d.R. mit nicht viel mehr als einem Zehntel des Nennstroms, also 20..30 mA. Ladezeit also ca. 10 Stunden.

Bei einer 2 LEDs mit 20 mA an einem 200 mAh 9V-Akku kommt man auf ca. 200 mAh / 20 mA = 10 Stunden Leuchtdauer (je nach alter des Akkus u.U. auch nur halb soviel).

Mit 3 eneloop-Mignon-Zellen (3,6V, 2000 mAh) und weil die Spannung niedriger ist 2 LEDs parallel (also 40 mA) kommt man auf 2000 mAh / 40 mA = 50 Betriebsstunden. Und das - sofern man Tiefentladung der Akkus vermeidet - auch noch nach dem 300-500sten (bei so wenig Strom eher auch noch nach dem 1000sten Aufladen).
Eneloop-Akkus kann man mit bis zu 1C (=2000 mA), wenn man Abstriche bei der Lebensdauer macht auch mit noch höheren Strömen noch schneller aufladen. Ladezeit also ca. 1 Stunde.

Als primitiven Tiefentladeschutz kann man die Akku-Spannung z.B. mit einer Diode 1N4001 in Reihe zu den Akkus erstmal um ca. 0,7V absenken, sofern die weißen LEDs mit 3V auskommen --- Vorwiderstände braucht man aber dennoch, da der frisch geladene Akku über 3,6V hat (und 3 eneloops in Reihe auch fast bis zum Schluss eher 3,75V haben)
Man kann auch eine Schottky-Diode statt einer Siliziumdiode nehmen, da gehen dann nur ca. 0,4V dran verloren (je nach Typ variiert das). Allerdings werden die Akkus dann tiefer entladen und man sollte nicht all zu lange mit dem Laden warten, wenn die LEDs dunkel geworden sind.
So eine Diode hat gegenüber den Vorteil, dass der Strom extrem steil abfällt, wenn die Spannung nicht mehr reicht, bei einem Widerstand wird der Strom linear geringer und der Akku weiter ausgelutscht, bis er geschädigt ist.
2 meiner eneloop-Zellen waren versehentlich über Wochen auf 0,0xx und 0,1xxV herunter (waren in einem Aldi-IR-Bewegungsmelder mit LED-Licht), nach dem ersten Aufladen danach und sofortigem Ausmessen hatten sie ziemlich genau die Hälfte ihrer Nennkapazität, beim zweiten Laden und Messen war es aber schon wieder die Nennkapazität. dennoch werden diese beiden Zellen sicher nicht die Lebensdauer ihrer nicht vorgeschädigten Kollegen erreichen.

Eine Zelle ist ab ca. 2 € zu haben:
eneloop-Akkus günstig kaufen
Die Bewertungen sagen alles (einschließlich dessen, das sich - wie so oft - manch einer mit seiner Aussage selbst disqualifiziert, z.B. hat einer die Akkus mit 3C, also 6 Ampere geladen, was logischerweise nicht gut sein kann und u.U. auch zu einer fehlerhaften "Akku-Voll-Erkennung" lange vor Ladeschluss durch das Ladegerät führen kann.

PS: Nein, ich arbeite nicht bei Sanyo / Panasonic (Sanyo stellt die eneloop-Akkus her, Panasonic hat Sanyo übernommen). Ich finde nur das Produkt so unglaublich toll, dass ich der Meinung bin, dass jeder in den Genuss kommen sollte --- mir fällt erhlich gesagt kein anderes Produkt ein, von dem ich so begeistert bin (die Cree MC-E könnte noch so eins sein, wenn es sie denn für 3,95 bis 4,95 € gäbe...)
Benutzeravatar
Morbus
Ultra-User
Ultra-User
Beiträge: 936
Registriert: Fr, 26.10.07, 21:25
Wohnort: Vaihingen
Kontaktdaten:

Mi, 05.08.09, 22:25

Farosi mal eine generelle Frage: Wo möchtest du die LEDs denn einsetzen? Zu Hause und im Auto bzw. Roller kommt man auch anders an Strom, ohne umständlichen Akku. Und das sind dann (meistens) 12 Volt, die sind (in der Regel) nicht gefährlich.
Farosi
Mini-User
Beiträge: 9
Registriert: Mi, 05.08.09, 17:46

Mi, 05.08.09, 22:34

hauptsächlich unterwegs
O.Mueller
Moderator
Beiträge: 4089
Registriert: Do, 23.02.06, 15:08
Wohnort: Südbaden
Kontaktdaten:

Do, 06.08.09, 09:27

Hm, "unterwegs" ist ne sehr aufschlußreiche Antwort - ich gehe somit also davon aus, dass gemeint ist : zu Fuß. Dann ist vermutlich eine kompakte und leichte Lösung ratsam. Ich denke Du solltest Dich ruhig an die bisherigen sehr guten Ratschläge halten, ich würde auf 9V auch nicht unbedingt gehen - es sei denn es gibt einen sehr speziellen Grund, der uns bisher verborgen blieb.
Farosi
Mini-User
Beiträge: 9
Registriert: Mi, 05.08.09, 17:46

Do, 06.08.09, 16:37

nein dafür gibts keinen Grund ich hab nur diese schon und würde diese gerne verbauen und dann auf leistungsfähige akkus umsteigen.
Benutzeravatar
Beatbuzzer
Auserwählter
Auserwählter
Beiträge: 3177
Registriert: Fr, 17.08.07, 11:02
Wohnort: Alfeld / Niedersachsen
Kontaktdaten:

Do, 06.08.09, 16:51

Hab jetzt mal ein Bild gemacht für 9V Block und 5 weisse LEDs.
Solltest du nun doch noch von den Eneloops überzeugt sein, aber keine 7 Stück einsetzten wollen, sondern nur 3, dann mach ich nochmal ein weiteres Bild.
Also die Widerstände für die ersten beiden Reihen mit 2 LEDs müssen 120ohm groß sein.
Für die einzelne letzte LED sollten es 330ohm sein.
leds.JPG
Farosi
Mini-User
Beiträge: 9
Registriert: Mi, 05.08.09, 17:46

Do, 06.08.09, 19:17

und so soll ich es aufbauen? :)

ich hoffe ich schaff das :)
marti1234
Super-User
Super-User
Beiträge: 67
Registriert: Fr, 31.07.09, 02:37

Fr, 07.08.09, 08:15

Sorry Beatbuzzer wenn ich mir irre, aber ist nicht das lange Beinchen der LED die Anode?
Farosi scheint mir nicht so versiert in Sachen Elektronik, daher sollte das schon richtig rum sein *g*
(Auch wenns nur n blöder Fehler beim Zeichen ist)

LG
Benutzeravatar
Achim H
Star-Admin
Star-Admin
Beiträge: 13067
Registriert: Mi, 14.11.07, 02:14
Wohnort: Herdecke (NRW)
Kontaktdaten:

Fr, 07.08.09, 08:45

Das lange Beinchen der Led ist quasi der Pluspol (nennt sich nur anders, nämlich Anode. Ist aber so ziemlich das Gleiche.) und dieser muss auch an Plus der Batterie angeklemmt werden.
Benutzeravatar
Sh@rk
Auserwählter
Auserwählter
Beiträge: 3820
Registriert: Do, 17.08.06, 17:55
Wohnort: Thüringen
Kontaktdaten:

Fr, 07.08.09, 13:13

In der heutigen Zeit ist meist der längere Pin der LED die Anode (+ pol) und der kürzere Pin der Led die Kathode (- pol).

Drück mich

Jedoch gab es früher Led's wo es genau umgekehrt war, am meisten waren Rote Led's damit betroffen (kürzere Pin der LED die Anode (+ pol) und der längere Pin der Led die Kathode (- pol), auch bei den Supferlux Led's war das so (habe selber noch welche davon).

Es kann auch sein wenn man von billigen Herstellern oder über Ebay Led's kauft das die "Verpolt" sind, jedoch hat jeder andere Erfahrungen damit.

Bei dir ist die erste Zeile meines Beitrags wichtig!

mfg Sh@rk
Benutzeravatar
benkly
Super-User
Super-User
Beiträge: 70
Registriert: Di, 17.06.08, 18:19

Fr, 07.08.09, 15:21

Sh@rk hat geschrieben:
Es kann auch sein wenn man von billigen Herstellern oder über Ebay Led's kauft das die "Verpolt" sind, jedoch hat jeder andere Erfahrungen damit.

mfg Sh@rk
Was hat das mit "Ebay" oder "verpolt" zu tun?!? Das ist Quatsch. Wie eine LED beschaltet werden muss steht im Datenblatt! Und da habe ich bisher noch von keinem "Herstellerdatenblatt" gesehen das da einer geschrieben hat "immer der längere Anschlusspin".

Aber in jedem Datenblatt steht immer ein Hinweis zur Markierung am Gehäuse! Bei normalen LEDs ist das die Abflachung an der Rundung und bei den Superflux die Schräge an einer Ecke. Das hat bisher immer gepasst und mir ist noch nie eine LED in die Finger gekommen bei der das "A" im Datenblatt nicht angegeben gewesen wäre und "B" nicht gestimmt hätte.

Gruß, Benny.
Benutzeravatar
Achim H
Star-Admin
Star-Admin
Beiträge: 13067
Registriert: Mi, 14.11.07, 02:14
Wohnort: Herdecke (NRW)
Kontaktdaten:

Fr, 07.08.09, 16:08

Runde Leds, wo das lange Beinchen die Kathode war, sind mir auch noch nicht untergekommen. Welche wo die Beinchen gleich lang waren allerdings schon. Aber die Abflachung ist bisher immer vorhanden gewesen. Auch in meinen Anfängen, wo ich noch diverse Elektrogeräte ausgeschlachtet habe, um an die Bauteile heran zu kommen, war die Abflachung stets vorhanden.
Benutzeravatar
CRI 93+ / Ra 93+
Auserwählter
Auserwählter
Beiträge: 2801
Registriert: So, 19.10.08, 23:56
Wohnort: Hannover

Fr, 07.08.09, 16:13

benkly hat geschrieben:Aber in jedem Datenblatt steht immer ein Hinweis zur Markierung am Gehäuse! Bei normalen LEDs ist das die Abflachung an der Rundung und bei den Superflux die Schräge an einer Ecke. Das hat bisher immer gepasst und mir ist noch nie eine LED in die Finger gekommen bei der das "A" im Datenblatt nicht angegeben gewesen wäre und "B" nicht gestimmt hätte.
Osram bekommt das hin und einem Infineon-Transistor (SOT-23-Gehäuse) hatte ich es mal, dass die Nummern am Schaltzeichen nicht mit denen am Bauteil (beide Abbildungen direkt nebeneinander im Datenblatt) übereinstimmten.

Beides Osram/Sylvania/Infineon=Siemens --- da erwartet man sowas eigentlich eher nicht, aber es passiert definitiv!

Einmal hatte ich - glaube von Conrad - sogar auch schon LEDs, bei denen tatsächlich das lange Bein die Kathode war. Ist aber über 20 Jahre her.
Zuletzt geändert von CRI 93+ / Ra 93+ am Fr, 07.08.09, 16:15, insgesamt 1-mal geändert.
O.Mueller
Moderator
Beiträge: 4089
Registriert: Do, 23.02.06, 15:08
Wohnort: Südbaden
Kontaktdaten:

Fr, 07.08.09, 16:14

Vorsicht, gerade das mit den Beinen kann durchaus passieren, das hatte wir auch schon mal !!! Das waren wenn ich es recht im Kopf habe rote 0,5Watt LEDs, alle anderen waren richtig und die waren tatsächlich "falschrum" produziert worden... Das kann vermutlich bei jeder Herstellung passieren, deshalb halte ich es da wie James : sag niemals nie !
Benutzeravatar
Larkin
Ultra-User
Ultra-User
Beiträge: 663
Registriert: Sa, 21.04.07, 22:57

Fr, 07.08.09, 16:51

CRI 93+ / Ra 93+ hat geschrieben: Beides Osram/Sylvania/Infineon=Siemens --- da erwartet man sowas eigentlich eher nicht, aber es passiert definitiv!
Naja das sind alles trotz irgend ner Verbindung zu Siemens eigenständige Firmen, wo jede ne eigene Entwicklung und Firmenphilosophie hat.
Antworten